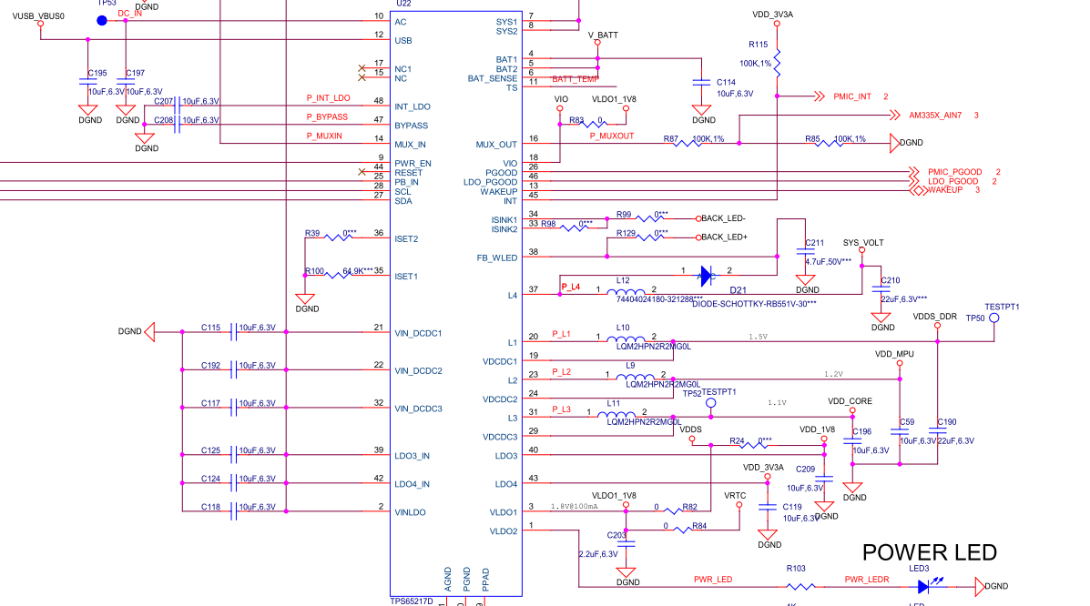
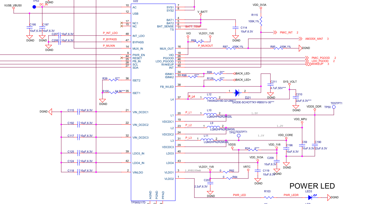
这个项目中因为需要低功耗,采用了单片DDR3L,所以采用了TPS65217D。结果发现一个问题,使用USB上电时,在上电那一瞬间,TPS65217D的DCDC1口有有一定几率PWM不工作(测L1管脚是直流输出,没有PWM),输出电压可以到3V左右,结果导致DDR3L发烫,漏电。这个时候去测量DCDC2和DCDC3的输出(2个1.1V)都是正常的,输出电容用10uf时概率高,后来改为47uf概率有所下降,但是不能完全排除。请问各位专家,这个问题怎么解决,是不是芯片的bug?
This thread has been locked.
If you have a related question, please click the "Ask a related question" button in the top right corner. The newly created question will be automatically linked to this question.
Hi
DC/DC1的电压设置是多少? DDRCL对应峰值电流最大需求是多少?
你可以断开,在不带载的情况下确认DC/DC1输出是否正常? 然后通过外给电压到DDR3L确认峰值电流。
同时你还需要确认这一路选用的电感饱和电流是否足够? 输出电容应该不是问题。