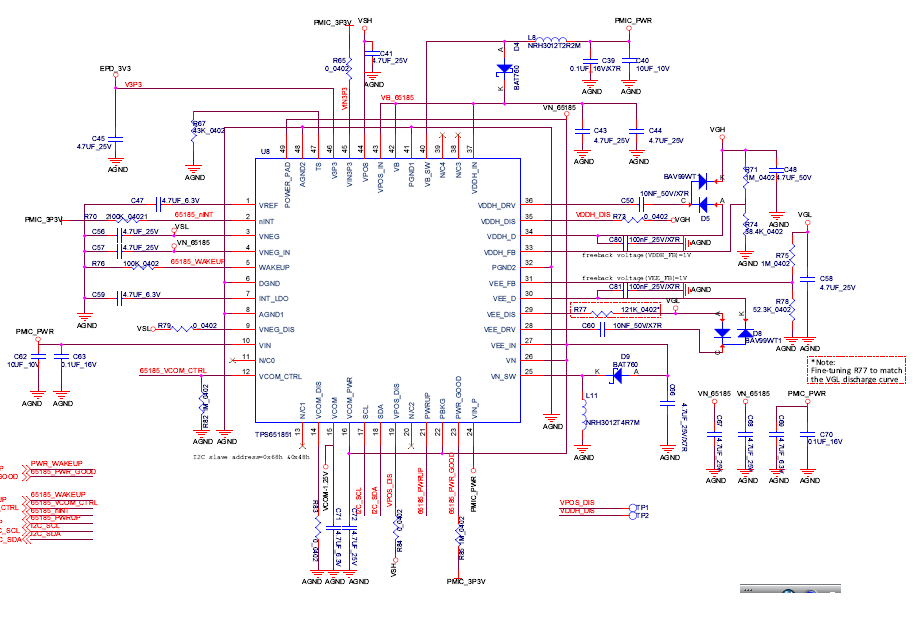
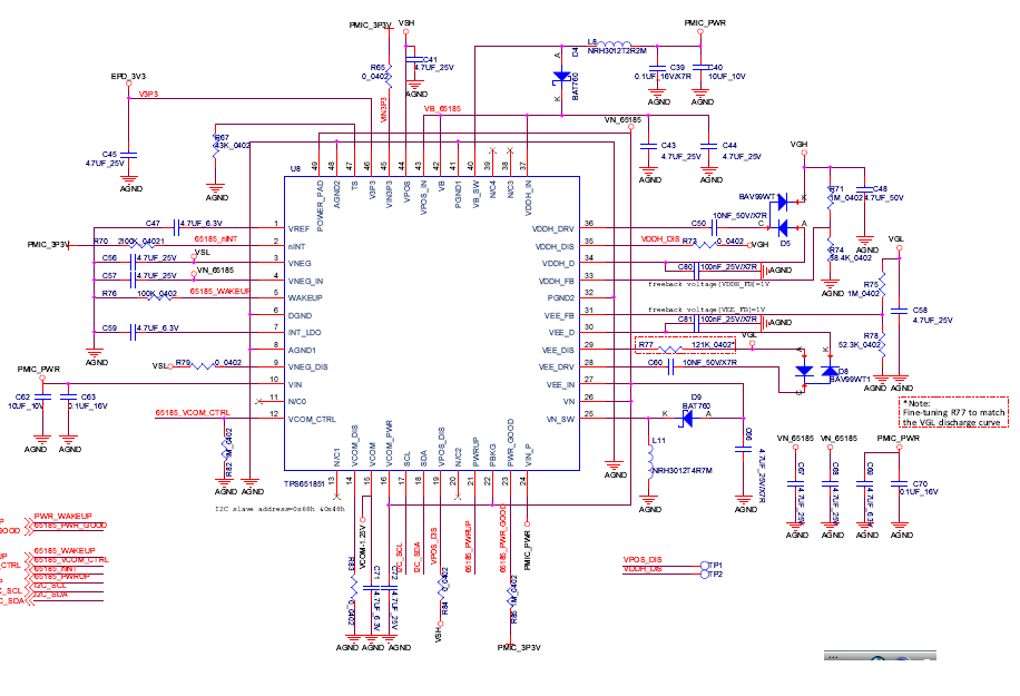
原理图如下图所示,其余电压均正常, 27V, -20V, VNEG都正常,就是VPOS应该是15V,但是出来的是17V?不知道为什么?VPOS是可以通过内部LDO来调节的,但根据文档描述,只能调节在14.25V~15V之间。不管寄存器如何配置,应该不会输出17V。我加了2mA负载也不行。请帮忙分析一下。
This thread has been locked.
If you have a related question, please click the "Ask a related question" button in the top right corner. The newly created question will be automatically linked to this question.
原理图如下图所示,其余电压均正常, 27V, -20V, VNEG都正常,就是VPOS应该是15V,但是出来的是17V?不知道为什么?VPOS是可以通过内部LDO来调节的,但根据文档描述,只能调节在14.25V~15V之间。不管寄存器如何配置,应该不会输出17V。我加了2mA负载也不行。请帮忙分析一下。