This thread has been locked.

If you have a related question, please click the "Ask a related question" button in the top right corner. The newly created question will be automatically linked to this question.

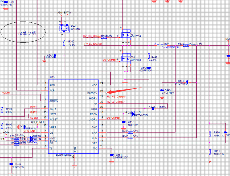
关于BQ24610的充电问题,比较着急,请求帮助



我目前主板上用两颗BQ24610对两个电池做充电,放电我单独加线路做控制,线路上IC的BATDRV(23号)脚是悬空的,这样会有问题吗?会不会有影响?(以下是我电路图)
2.一般对于单电池的系统,会用BATDRV去控制电池的放电以及和AC的切换;我现在做的是双电池,放电部分就自己做的,没用IC去控制,相当于IC只做充电用。