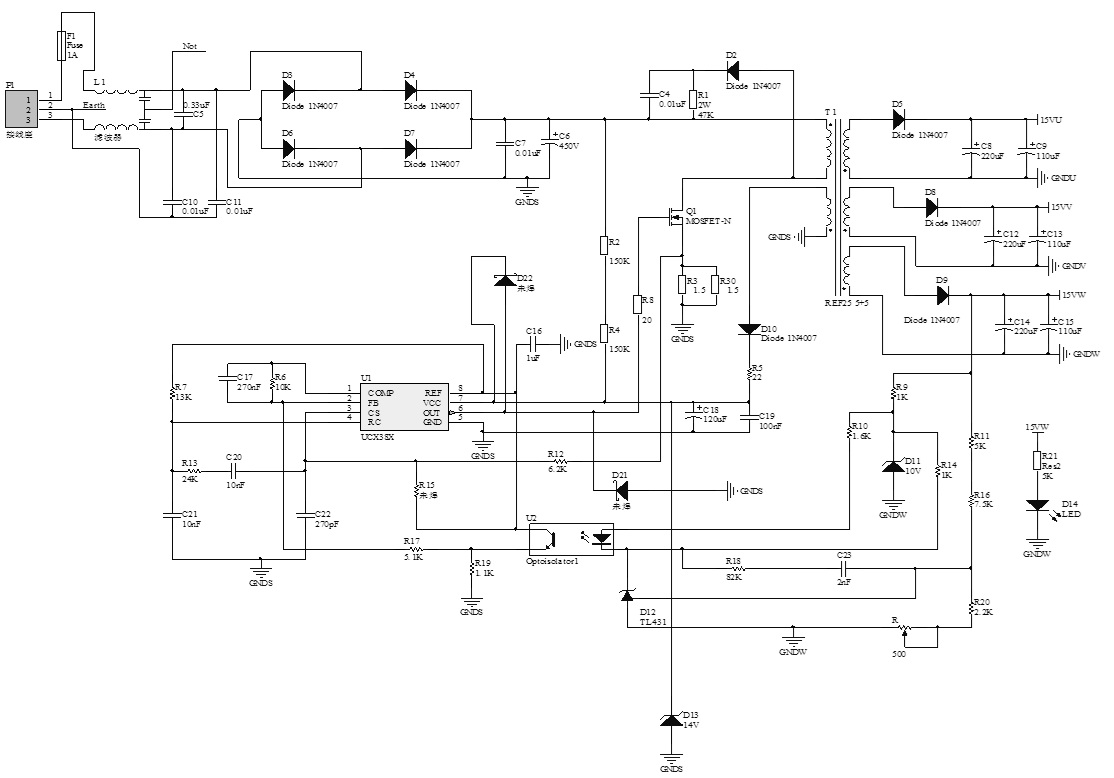
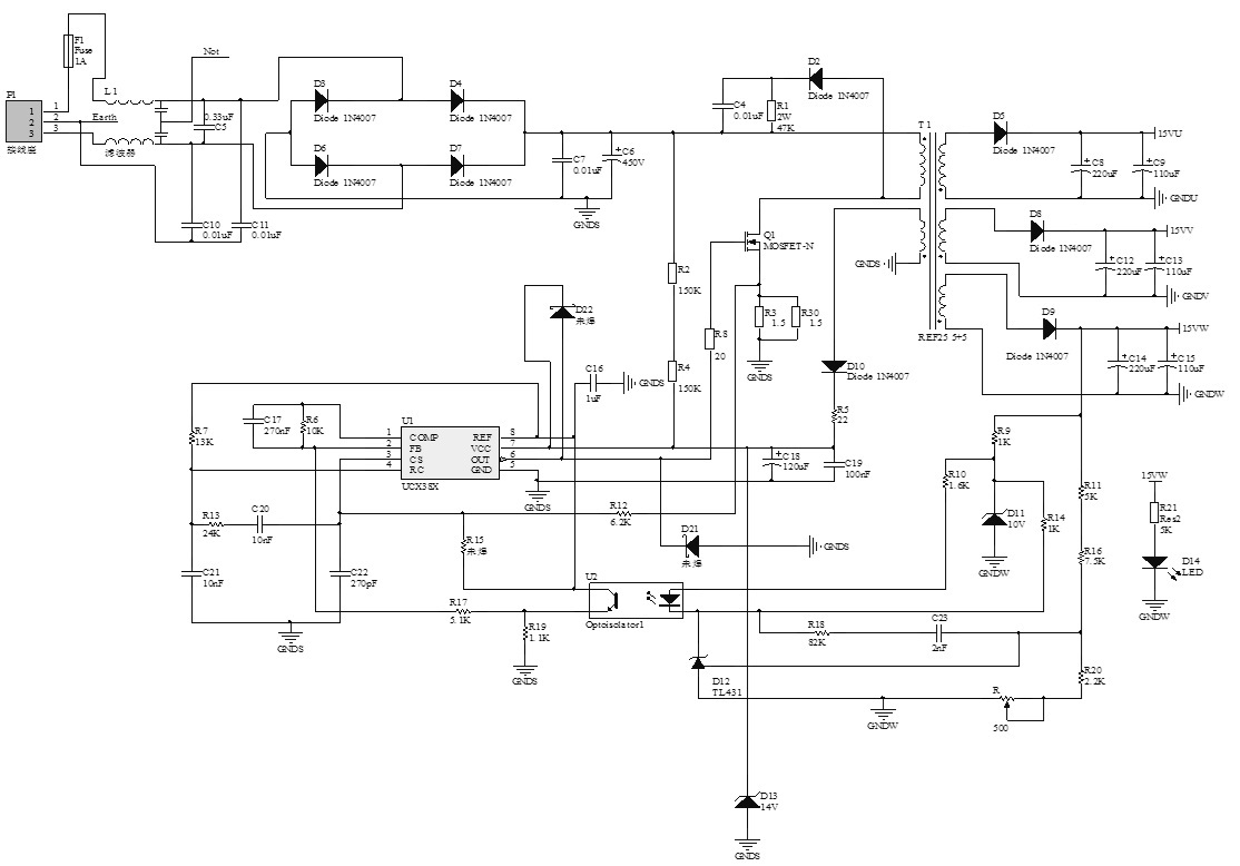
设计了一个反激式开关电源,用的ucc2802n。参考的芯片手册上的图,输出一闪一闪的,ref和光耦c极加了发光二极管,fb一直有电压输入,输出电压失控。tl431 ref端6v
This thread has been locked.
If you have a related question, please click the "Ask a related question" button in the top right corner. The newly created question will be automatically linked to this question.
设计了一个反激式开关电源,用的ucc2802n。参考的芯片手册上的图,输出一闪一闪的,ref和光耦c极加了发光二极管,fb一直有电压输入,输出电压失控。tl431 ref端6v