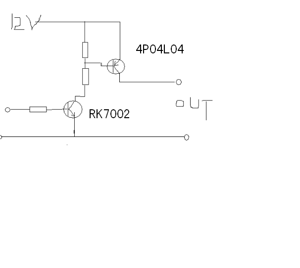
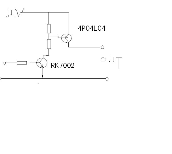
想通过单片机IO口控制PMOS来实现12V,18A电源的频繁开关,现在打算这样搭建电路,请问有什么问题吗?能实现功能吗?会导致PMOS(4P04L04)烧掉吗?哪位高手能提供更好方案,先谢谢了
This thread has been locked.
If you have a related question, please click the "Ask a related question" button in the top right corner. The newly created question will be automatically linked to this question.
想通过单片机IO口控制PMOS来实现12V,18A电源的频繁开关,现在打算这样搭建电路,请问有什么问题吗?能实现功能吗?会导致PMOS(4P04L04)烧掉吗?哪位高手能提供更好方案,先谢谢了