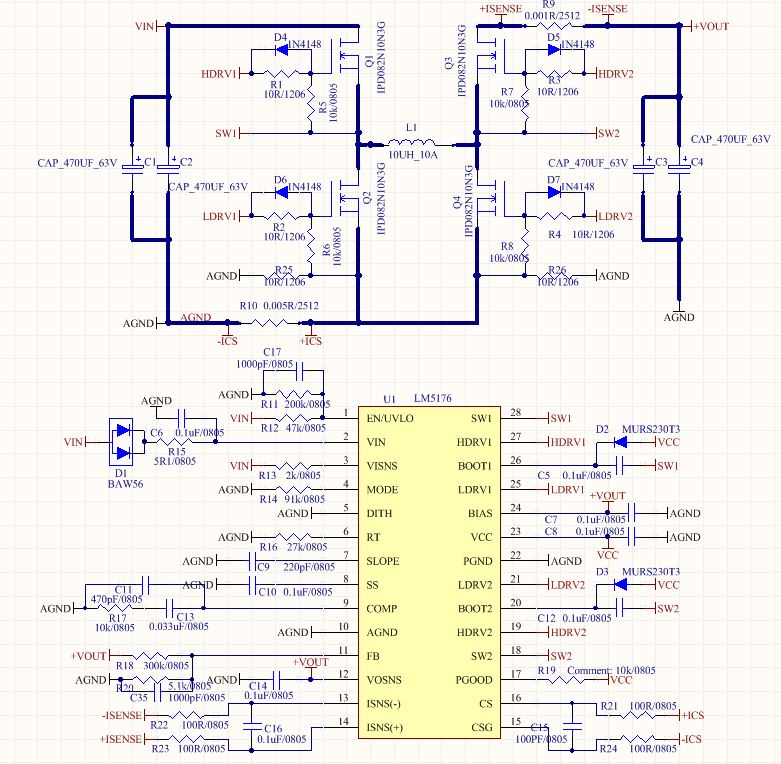
在立创商城买了LM5176,做板回来,功率部分不加输入电压,只给LM5176供电,四个MOS管均已焊接。如果输入电压供电12V,输出加上9V,本应工作于降压模式,但实测四个MOS均有PWM波形,控制逻辑怎么不对呢?
This thread has been locked.
If you have a related question, please click the "Ask a related question" button in the top right corner. The newly created question will be automatically linked to this question.
在立创商城买了LM5176,做板回来,功率部分不加输入电压,只给LM5176供电,四个MOS管均已焊接。如果输入电压供电12V,输出加上9V,本应工作于降压模式,但实测四个MOS均有PWM波形,控制逻辑怎么不对呢?
具体降压还是升压的波形,你可以测量SW1和SW2节点,同时参考数据手册上图10到图14,
关于电路参数以及layout,你可以参考WEBENCH进行优化,电感一定要用功率电感,且饱和电流足够大