This thread has been locked.

If you have a related question, please click the "Ask a related question" button in the top right corner. The newly created question will be automatically linked to this question.

TPS65185 VN电压不正常



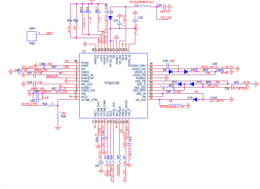
我们自己做的板子, 目前上电 wakeup pwrup 电压时序正常,IIC读写正常。  VB 出来+15.5V    VN只有-4v电压,麻烦各位指点下,谢谢!  下图为65185部分电路图