This thread has been locked.

If you have a related question, please click the "Ask a related question" button in the top right corner. The newly created question will be automatically linked to this question.

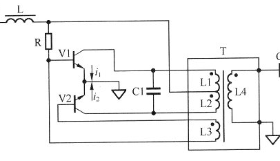
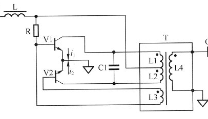
关于ROYER 电路中,2个三极管之间的电容有什么作用?



即图中的C1