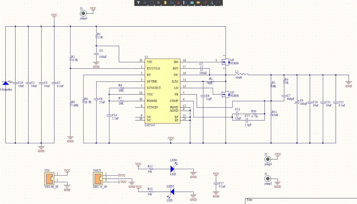
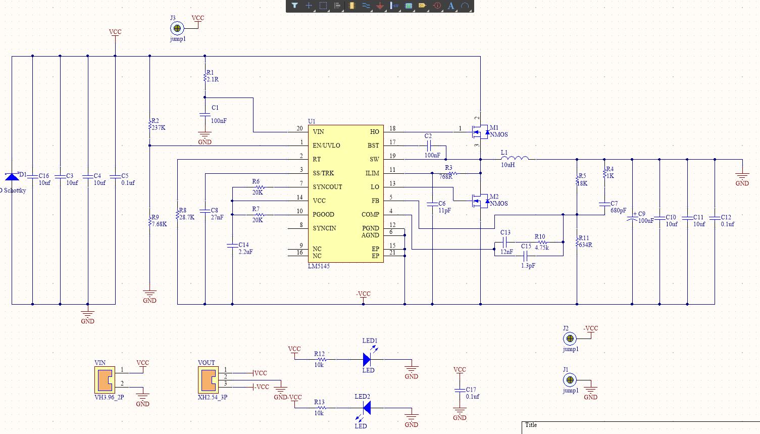
我用一个500W,24V开关电源做供电,用LM5145把正24V转换成负24V,输出电流小于800mA时输出负24V电压正常,输出电流大于800mA后输出电压急速下降,电流2A时,输出电压下降到了负12V, 请问下,是哪里出了问题,电路图如下:
This thread has been locked.
If you have a related question, please click the "Ask a related question" button in the top right corner. The newly created question will be automatically linked to this question.
我用一个500W,24V开关电源做供电,用LM5145把正24V转换成负24V,输出电流小于800mA时输出负24V电压正常,输出电流大于800mA后输出电压急速下降,电流2A时,输出电压下降到了负12V, 请问下,是哪里出了问题,电路图如下: