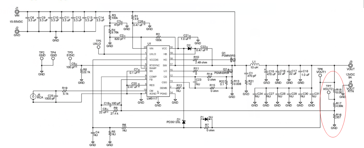
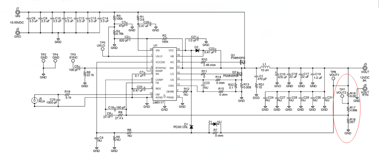
请教下TI的工程师,能否把LM5117的反馈电路通过固定电阻加电位器的方式实现输出可调?如果设计成可调的哪个参数会受影响?TKS!
This thread has been locked.
If you have a related question, please click the "Ask a related question" button in the top right corner. The newly created question will be automatically linked to this question.
请教下TI的工程师,能否把LM5117的反馈电路通过固定电阻加电位器的方式实现输出可调?如果设计成可调的哪个参数会受影响?TKS!