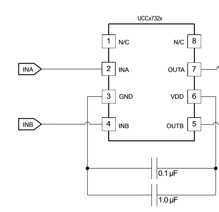
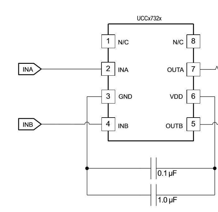
mosfet的驱动芯片UCC27324D,我自己搭了一个典型应用电路(电路如下图),6脚电压12V,2脚用信号发生器产生50KHZ,幅值3.3V,占空比40%的脉冲,7脚示波器显示输出是230mV脉冲,哪里出错了,信号发生器的地和示波器的地要连接一起吗?
This thread has been locked.
If you have a related question, please click the "Ask a related question" button in the top right corner. The newly created question will be automatically linked to this question.
mosfet的驱动芯片UCC27324D,我自己搭了一个典型应用电路(电路如下图),6脚电压12V,2脚用信号发生器产生50KHZ,幅值3.3V,占空比40%的脉冲,7脚示波器显示输出是230mV脉冲,哪里出错了,信号发生器的地和示波器的地要连接一起吗?