This thread has been locked.

If you have a related question, please click the "Ask a related question" button in the top right corner. The newly created question will be automatically linked to this question.

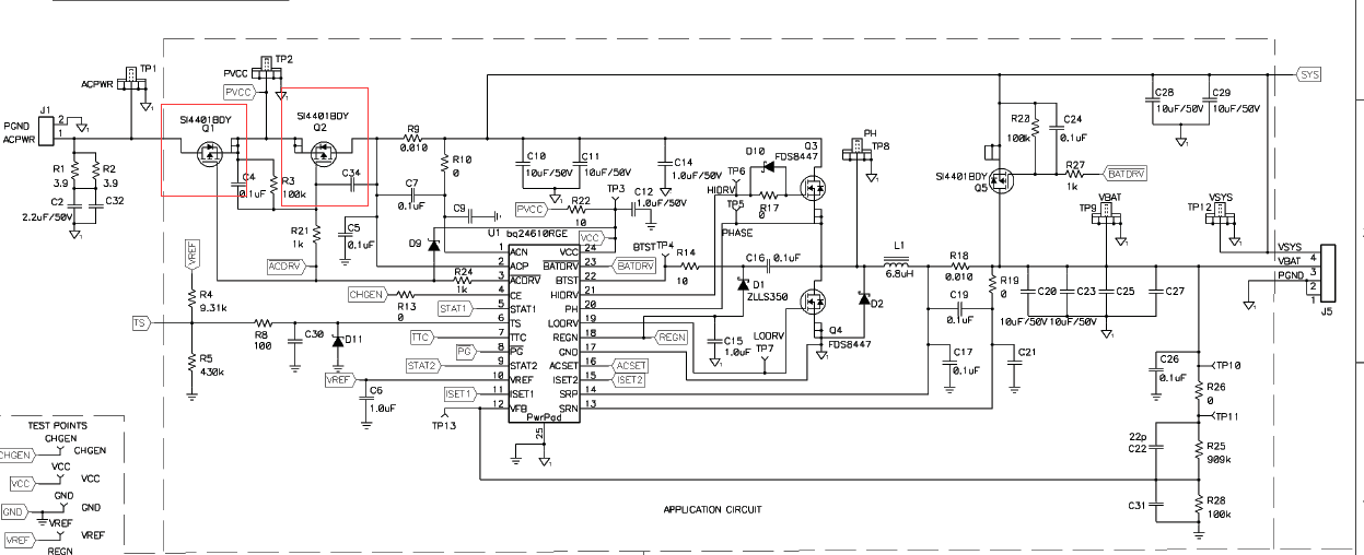
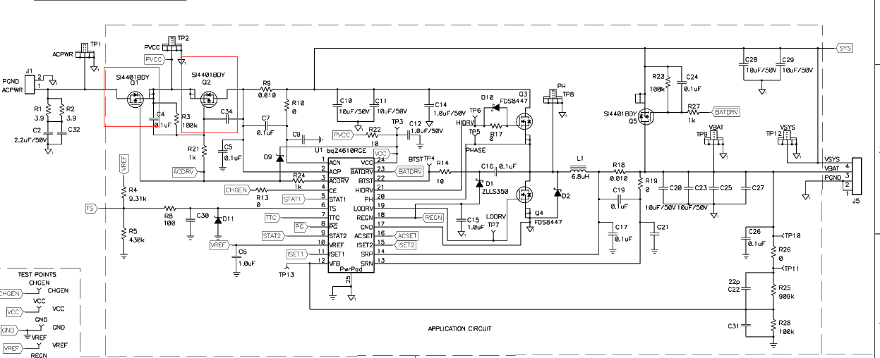
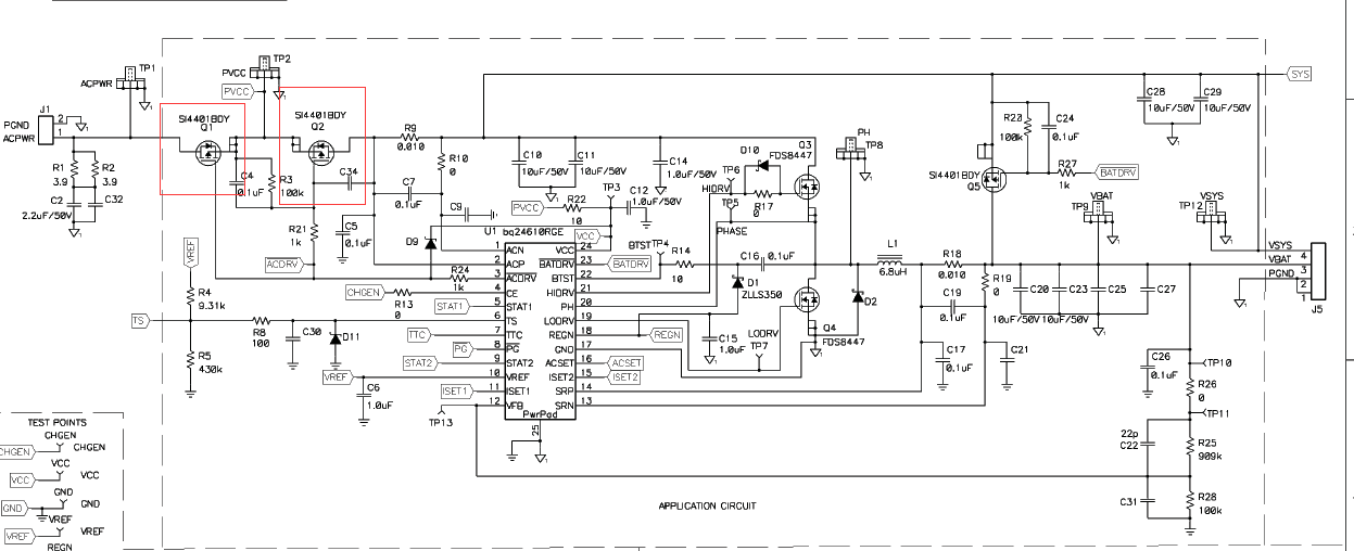
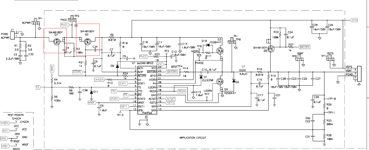
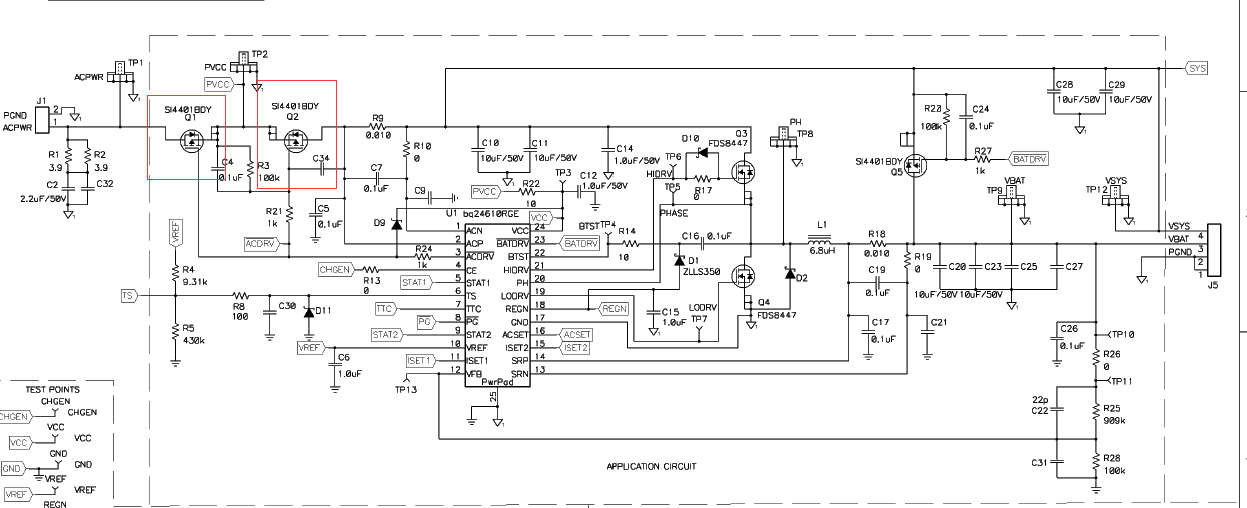
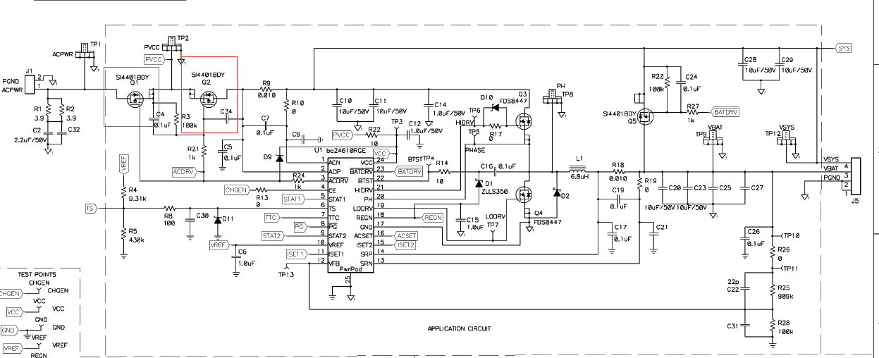
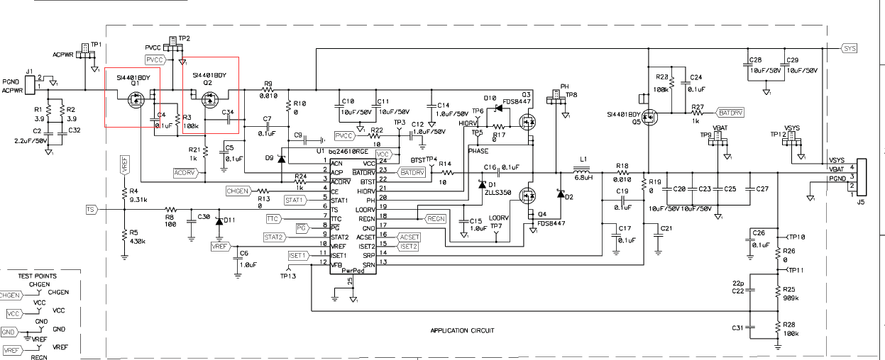
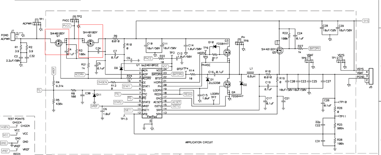
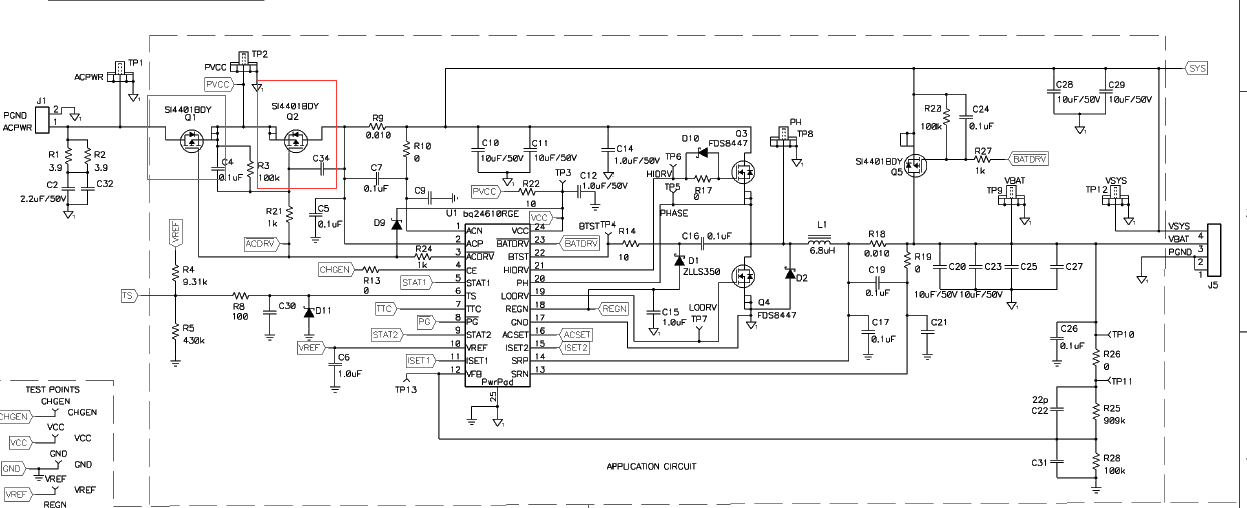
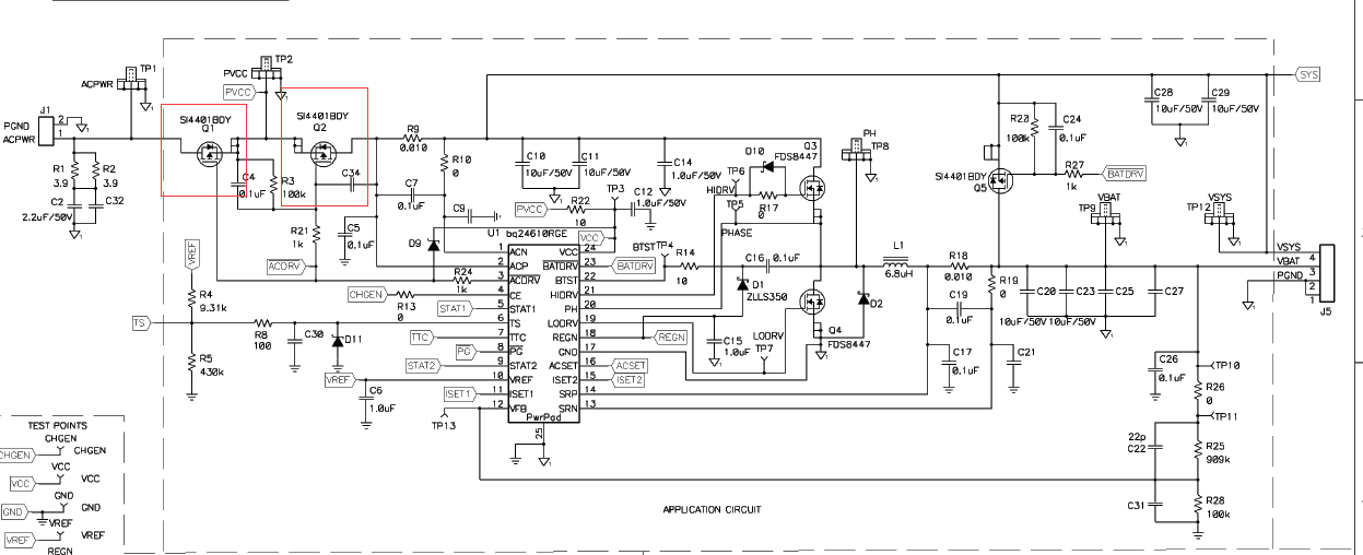
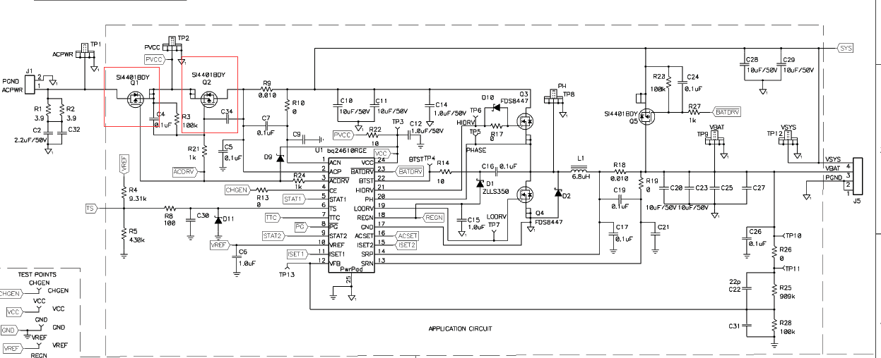
BQ24610 控制MOS管选型问题



如下图中,Q1 Q2 MOS管的VGS是正负20V,如果供电电压是28V  MOS管不会坏吗?