This thread has been locked.

If you have a related question, please click the "Ask a related question" button in the top right corner. The newly created question will be automatically linked to this question.

TPS61088 升压问题 TI的技术能不能回答一下



3.7V的锂电池升压到9V,输出实际是1.5A左右,保留余量设计为9V2A。我用官方的计算器算出是这些参数,如下图所示。 看不清楚可以在设计里面计算一下。画了2次板都不行,第一次是升压正常,也能输出9V2A,就是效率太低了,芯片发热也很高。第二次画的板是轻载的时候芯片也会发热,有9V,输出到零点几A的时候电压降低太快。我自己画过快充充电宝的电路板,感觉PCB画的是没多大问题。请问这个是原理图出问题了吗?还是画板的时候应该注意哪些方面,有没有技术能提供一下参考样板。或者有TI的工程师能留个联系方式帮忙解决一下。(PS:我是接电池的,不是用可调电源,可调电源取电会出现升压输出电压骤降,芯片异响。)

另外还有一个问题是这个控制端EN是低电平的时候输出是3.6V左右,能不能彻底关断。除了在输出加mos管断开还能怎样解决这个问题,或者有没有其他更好用的芯片推荐一下。

我的产品设计要求:能连续稳定输出9V1.5A左右,设计是9V2A。效率尽可能高,电感用10040封装的。EN接地时需要关断输出,不能有电压。方便的话可以给我个原理图和PCB的设计要求。

  • Hi
    几个问题注意一下:
    1. 升压芯片,特别是你这样输入电压较低,输出功率还算比较大的情况,输入电容尽量靠近电感(输入电容可以适当选择大一点),电感饱和电流足够,也可以适当选择大一点。
    2. 毕竟输入电流比较大,内置MOS, 发热是一定的,你可以参考一下仿真的效率。 散热主要注意Powerpad的扩展,建议用四层板做。
    layout可以参照datasheet第二十页,以及其注意事项。
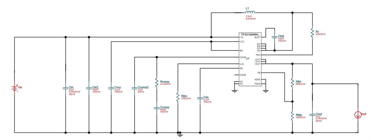
  • PCB芯片是很靠近电感的了,电感用10040的1.5uH,输入电容只有一个0805的22uf。实际做出的跟你们仿真的相差太大了,帮我看看这个原理图设计有没有问题(L2是多余的),没有的话我再重新画一个。输入我加多一个电容47uf的钽电容,还有关于我说那个EN低电平时输出一样有电压这个情况怎么解决,能不能彻底关断?(不额外增加mos管做开关)