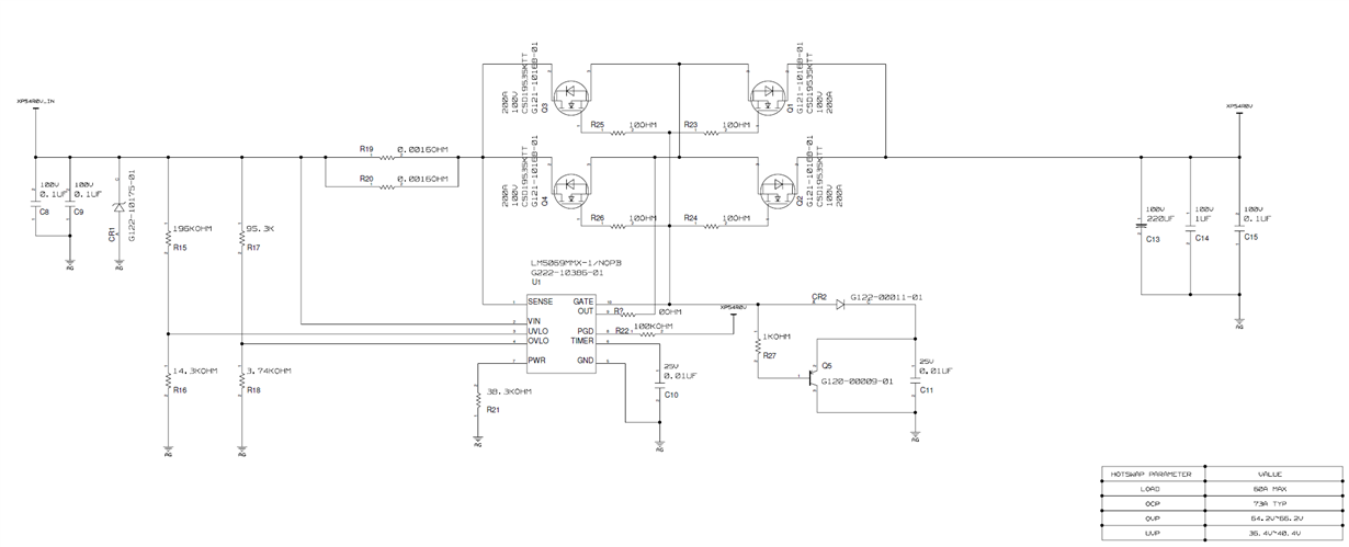
Part number : LM5069MMX-1/NOPB
设计需求:
1, input voltage 54V;
2, Imax 50A;
3, need to soft start the XP54R0V_IN rising;
4, need to block XP54R0V reverse to XP54R0V_IN;
This thread has been locked.
If you have a related question, please click the "Ask a related question" button in the top right corner. The newly created question will be automatically linked to this question.
Part number : LM5069MMX-1/NOPB
设计需求:
1, input voltage 54V;
2, Imax 50A;
3, need to soft start the XP54R0V_IN rising;
4, need to block XP54R0V reverse to XP54R0V_IN;