This thread has been locked.

If you have a related question, please click the "Ask a related question" button in the top right corner. The newly created question will be automatically linked to this question.

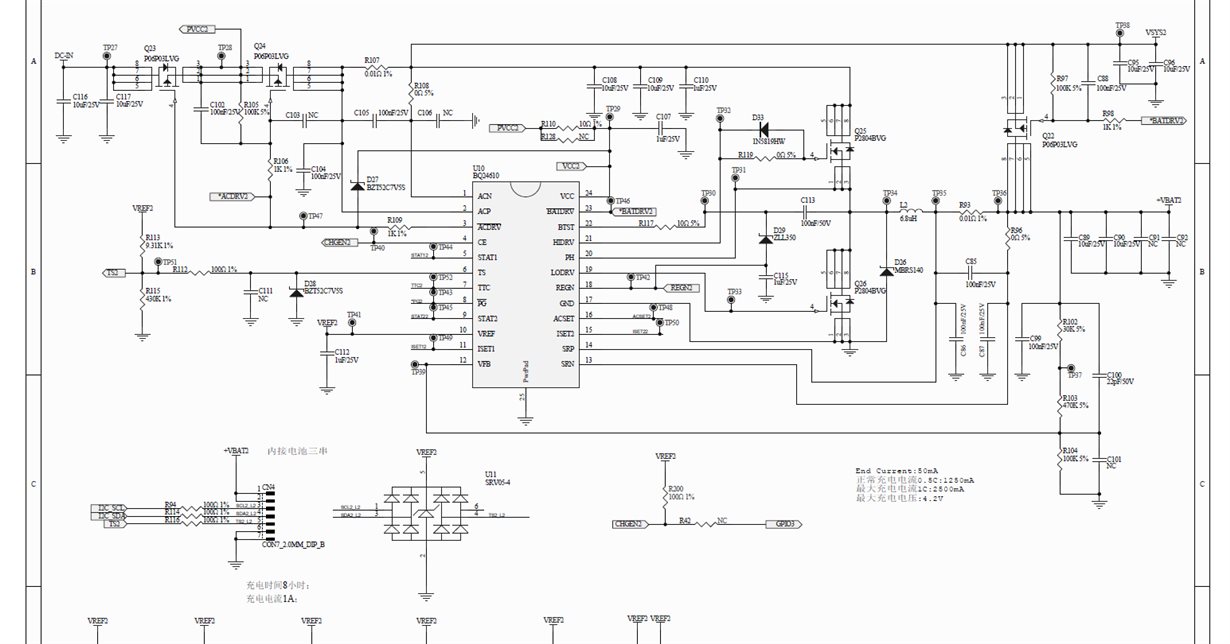
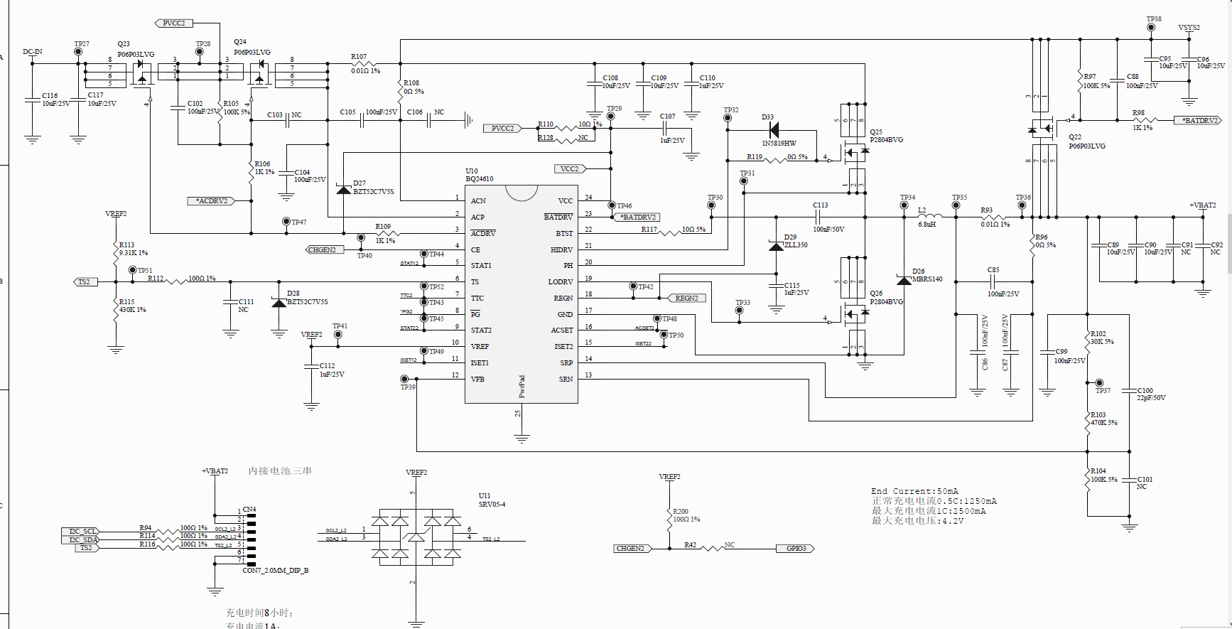
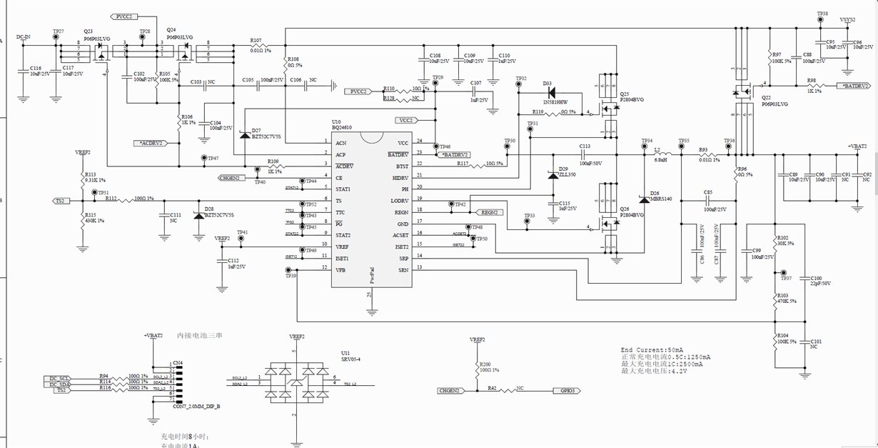
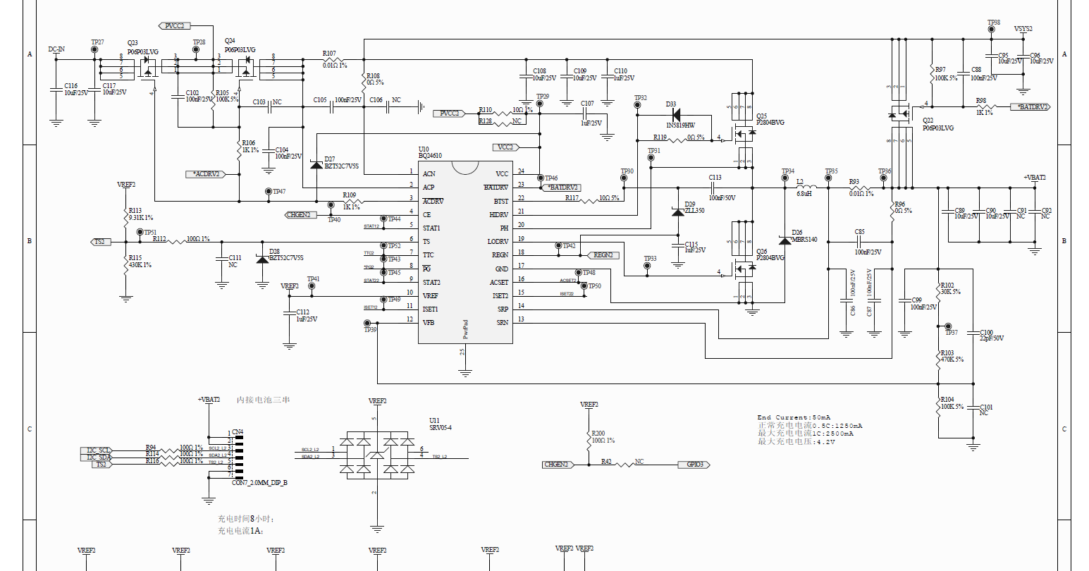
BQ24610 无充电电流输出。 输入DC16V,test脚已经是正常的2.8V左右了,充电红灯有亮,但是没有输出,芯片发烫,半桥的中点,没有方波。现在应该从哪里查起。



输入DC16V,test脚已经是正常的2.8V左右了,充电红灯有亮,但是没有输出,芯片发烫,半桥的中点,没有方波。现在应该从哪里查起。