This thread has been locked.

If you have a related question, please click the "Ask a related question" button in the top right corner. The newly created question will be automatically linked to this question.

LMR14030启动异常

Other Parts Discussed in Thread: LMR14030

你好

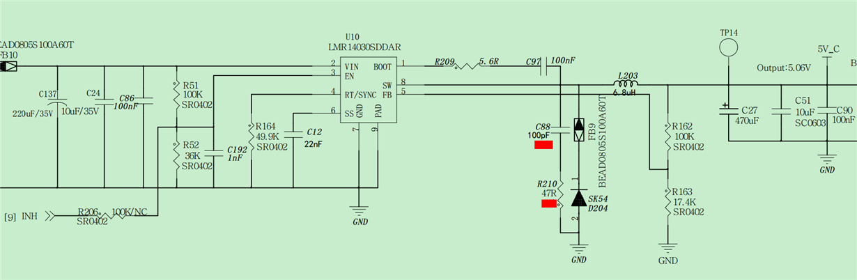
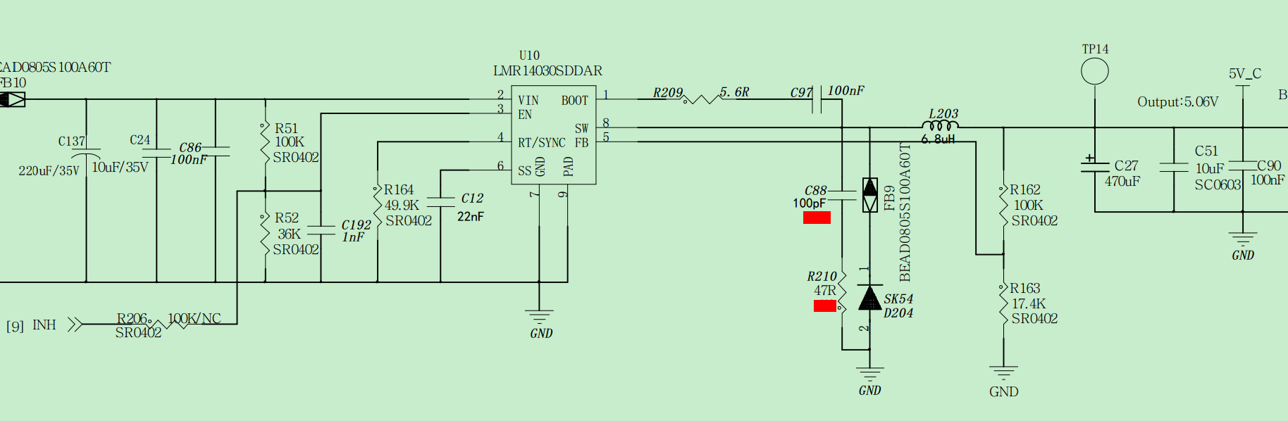
      使用LMR14030设计5V输出电路,出现一部分板子无输出的情况;此设计由于要过EMC,额外增加了一些器件:

①续流二极管上串接了一个6A是磁珠以吸收高频噪声;

②使用RC吸收电路并接续流二极管,吸收高频噪声;

③在BOOT与SW之间的自举升压电容上串接5.6R电阻,减缓电源的开关边缘速率;

④EN引脚,使用1nF电容对地下拉;

这几部分是与规格书推荐电路差异的地方,并且将差异部分减去,也会出现下面的BUG

目前出现的异常是:有一部分板子,打开电源无输出;如果将电先上好,然后再插线,就没这个问题。将R51的100K换成49.9K后,就不会出现这些情况,但是我们测试过EN的电压,是稳定的,所以找不到原因所在,请求指点。

原理图如下,这个芯片对电源输入端电压上升速率有无要求,我们加了滤波,上升比较慢

  • HI
    除了RC吸收电路外,其他并无必要,特别是肖特基上串磁珠。boot电路增加电阻,不建议,没必要。EN加电容只是推迟启动时间,对EMI无效果,只在时序上有效果,与软起动都不一样。
    对于EMI, 你可以在输入增加磁珠。
  • Hi Johnsin

    经过测试,发现和后级电路无关,使能端电路不变化,其他都按照参考设计做也是异常的,异常结果如下

    1:分压电阻R51/R52分别是100K和36K时,有时无法启动,有时启动会出现直通现象,和直流源有关,直通时SW无开关波形,FB电压不是0.75V,SS无电压,如图

    2:R51/R52分别是100K和49.9K时,电容1000pF会导致直通,电容改为10pF输出正常5V,拿掉电容,输出正常5V

    我在规格书看到芯片要正常启动需要两个条件,VIN达到3.7V同时EN达到1.2V,请问这个有时序关系吗,看起来是要EN先达到1.2V才能启动(100K/36K组合,VIN=3.7时EN不到1.2V;100K/49.9K组合配1000pF电容,VIN=3.7V时EN不到1.2V,配10pF电容时,能保证VIN=3.7V时EN达到1.2V,拿掉电容更可以)但是我又看到TI参考设计电阻分压比例是432K:86.6K,这样的设计VIN=3.7V时EN无法达到1.2V,所以根本原因是什么呢,我测试得到需要增加EN的电压比例就可以启动(前面测试过100K换成49.9K也可以启动)