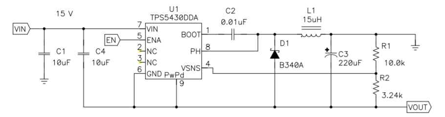
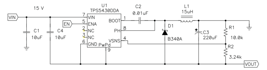
按照TI官方给的datasheet搭建了buck-boost电路,15VDC输入-5VDC输出,最奇怪的就是第一次搭建成功后,第二天再试发现无电压,电压输出只有0.2V为正电压输出,利用TINA按照官方原理图进行仿真也同样无法产生-5V的输出,电路如下图所示,有一个更改的地方就是将电感15uH改为了54uH,但是明明第一次成功了,完全无法复现成果
This thread has been locked.
If you have a related question, please click the "Ask a related question" button in the top right corner. The newly created question will be automatically linked to this question.