This thread has been locked.

If you have a related question, please click the "Ask a related question" button in the top right corner. The newly created question will be automatically linked to this question.

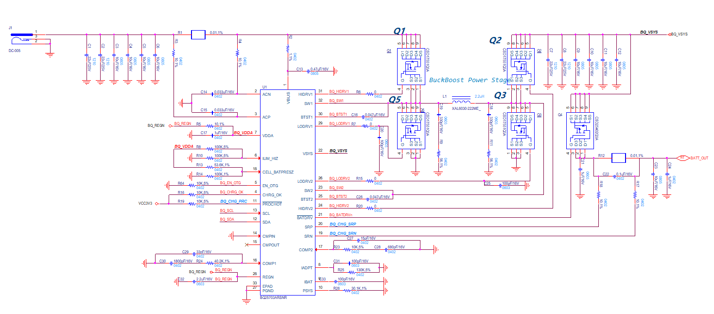
BQ25703异常



1、DC输入再11~13V时,输出电压12.23V;

        - VDD =VREG =6V

        - CELL_BATPRESZ =3.8V;

         - ILIM_HIZ  = 2.8V;

2、当调整输入 5~11V,输入电流一直再跳变,稳定不下来,测试各个电压均再跳变;

而且能听到”滴-滴-滴-滴“的响声;

3、调整 CELL_BATPRESZ 的分压电阻,输出是不随着变的;

请问该怎么排查?