This thread has been locked.

If you have a related question, please click the "Ask a related question" button in the top right corner. The newly created question will be automatically linked to this question.

BQ76930 MOS驱动烧充电MOS问题

Other Parts Discussed in Thread: BQ76930

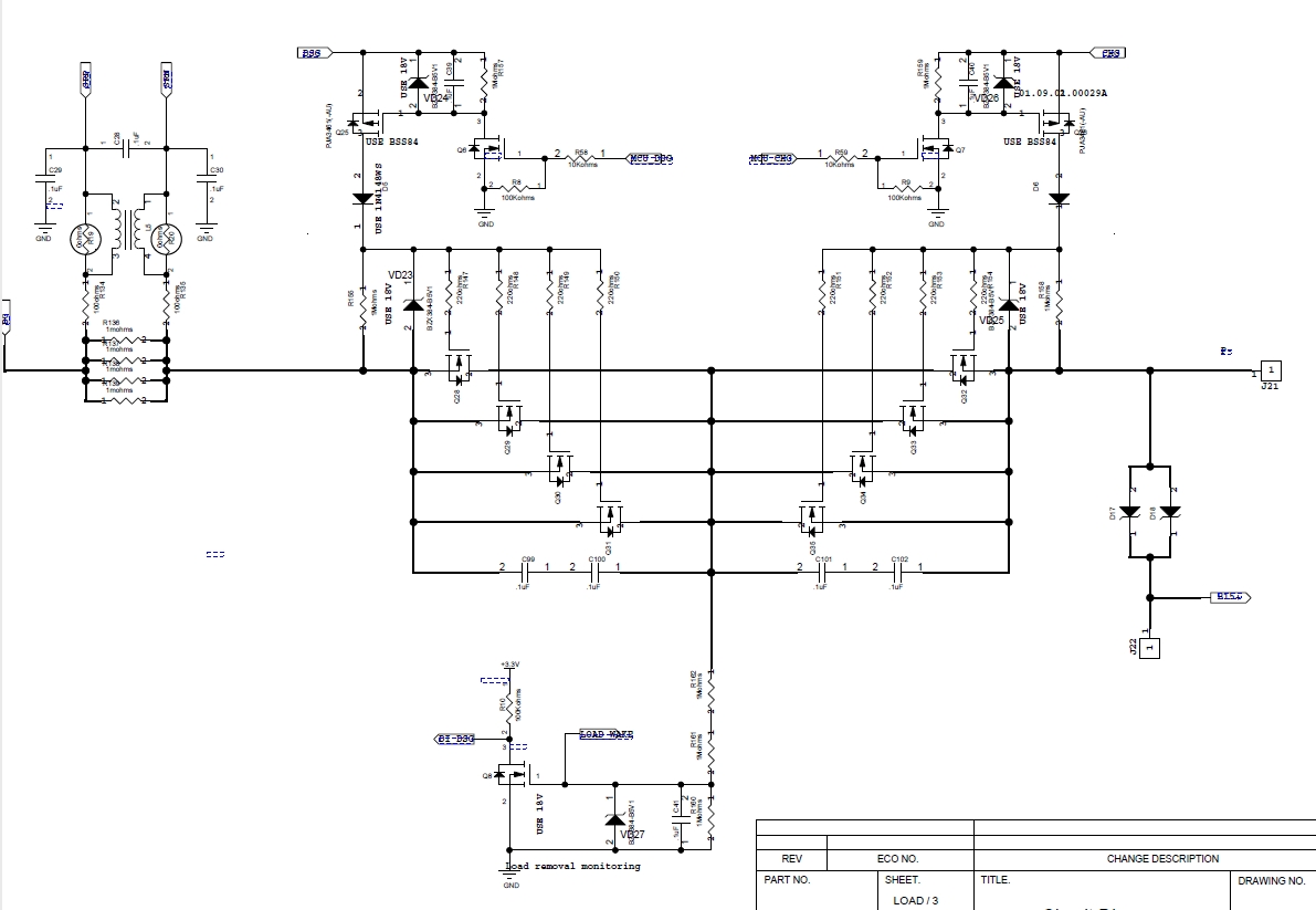
如下是我的电路(实际焊接三组MOS),MOS限流电阻为750Ω。充电过压保护后会出现某一个充电MOS短路的问题,各位大佬能不能帮忙看下可能的原因。我实际测了一个充电MOS的Vds和Vgs,都在规格书允许范围内。