各路大神大家好!
我最近调试BQ25895的时候遇到一个奇怪问题。
当我用电池的时候,Vsys输出是正常的4.2V
当我用充电器的时候,Vsys也是正常的4.2V。
但是当我用电池的时候插上充电器,在插上之后的100ms Vsys掉落到1.2v,然后又正常。
问题来了,1.2V的时候芯片就会重启,这样设备没有办法正常运行。所以麻烦各位帮忙看看!
谢谢了!
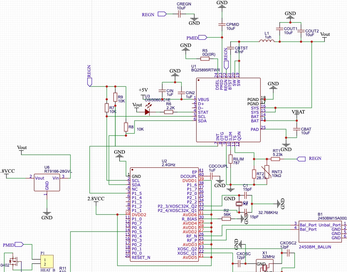
下面附上我的原理图和pcb
This thread has been locked.
If you have a related question, please click the "Ask a related question" button in the top right corner. The newly created question will be automatically linked to this question.
各路大神大家好!
我最近调试BQ25895的时候遇到一个奇怪问题。
当我用电池的时候,Vsys输出是正常的4.2V
当我用充电器的时候,Vsys也是正常的4.2V。
但是当我用电池的时候插上充电器,在插上之后的100ms Vsys掉落到1.2v,然后又正常。
问题来了,1.2V的时候芯片就会重启,这样设备没有办法正常运行。所以麻烦各位帮忙看看!
谢谢了!
下面附上我的原理图和pcb