This thread has been locked.

If you have a related question, please click the "Ask a related question" button in the top right corner. The newly created question will be automatically linked to this question.

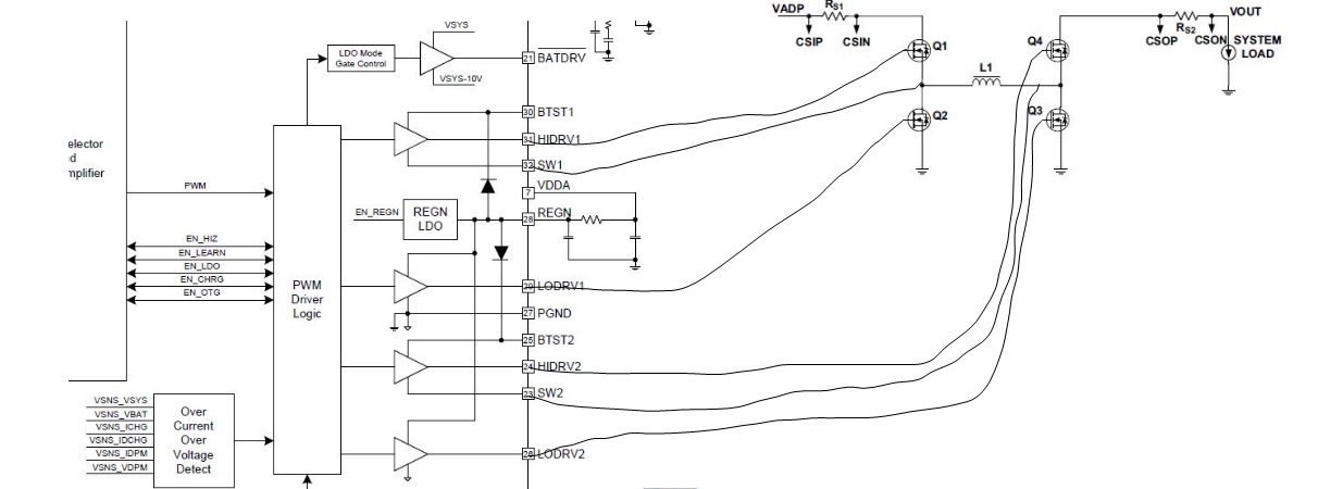
請教BQ25710在Buck 模式,Boost模式,Buck-Boost模式下的工作原理,MOSFET導通狀態及其電流方向。



 請在上圖中標示并講解以下內容:

1 ,Buck 模式的工作原理,MOSFET導通狀態及其電流方向。

2,Boost模式的工作原理,MOSFET導通狀態及其電流方向。

3,Buck-Boost模式的工作原理,MOSFET導通狀態及其電流方向。

4,自舉部份在此電路中的工作原理。

在此感謝TI各位工程師。

  • 技术规格书中没有讲解吗?这是四开关BUCK-BOOST电路,每个开关管在每个周期内都不需要开通关断的。应该是每个桥臂开通互补,根据谁的工作时间长调整电路工作在升压还是降压。