This thread has been locked.

If you have a related question, please click the "Ask a related question" button in the top right corner. The newly created question will be automatically linked to this question.

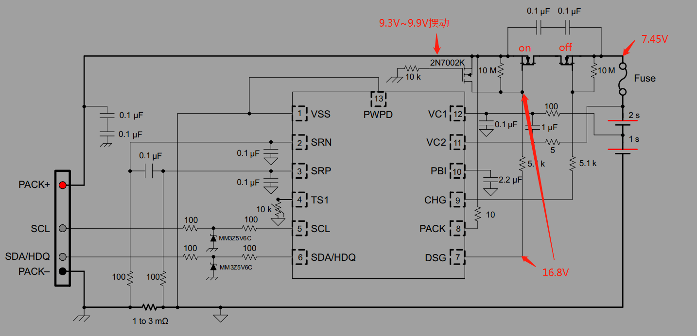
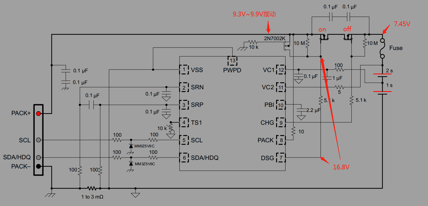
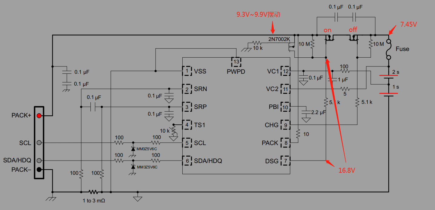
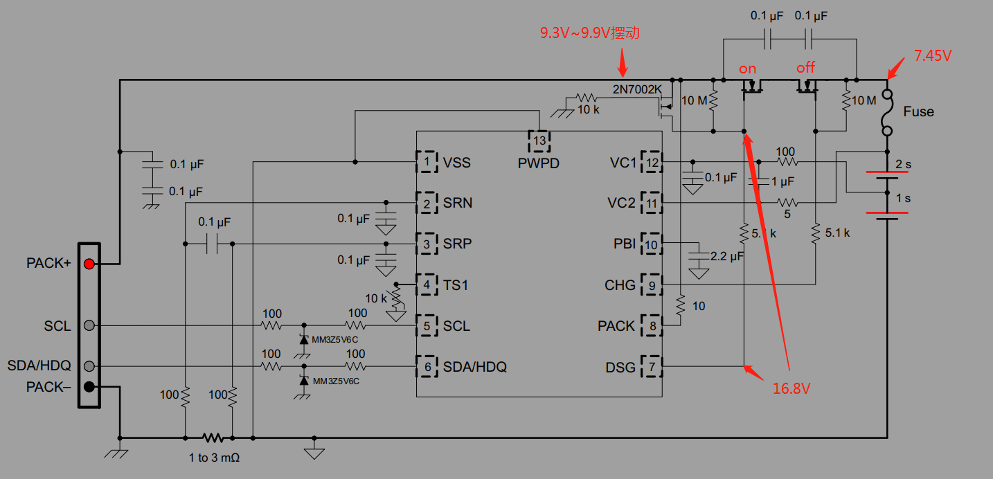
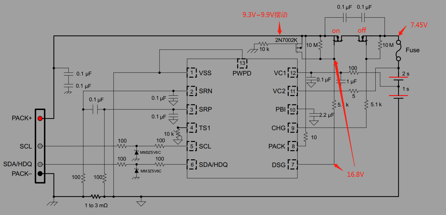
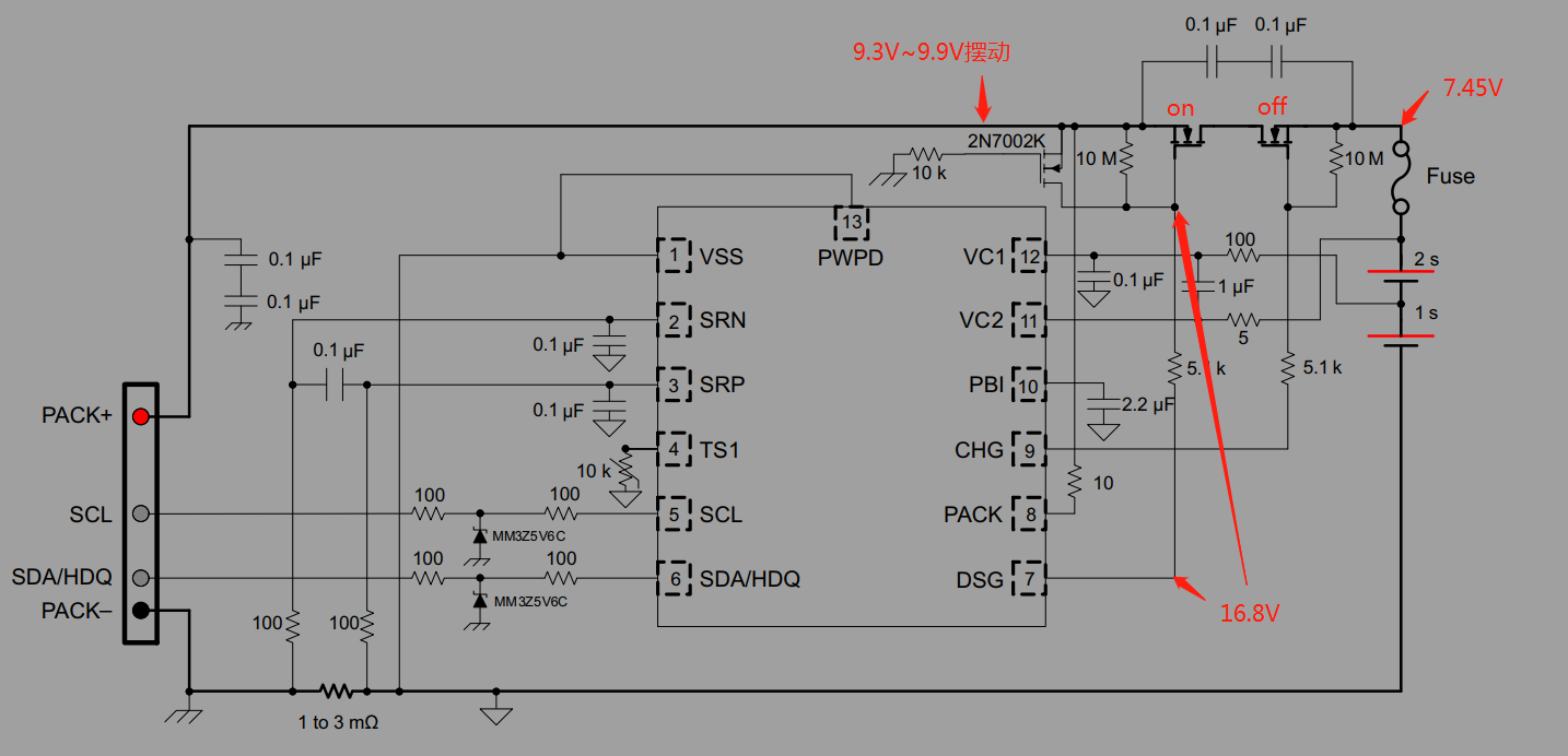
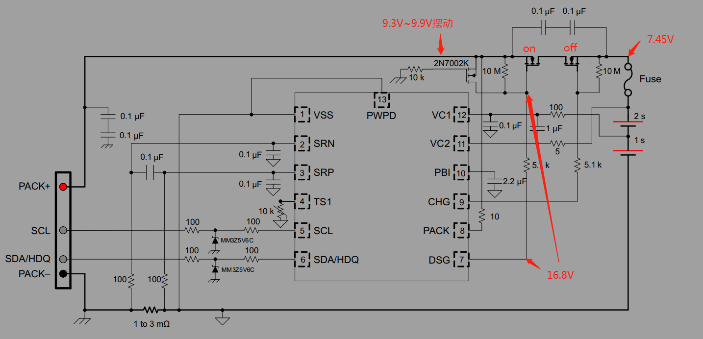
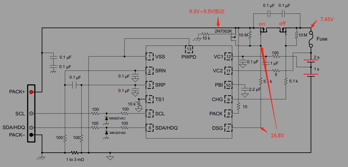
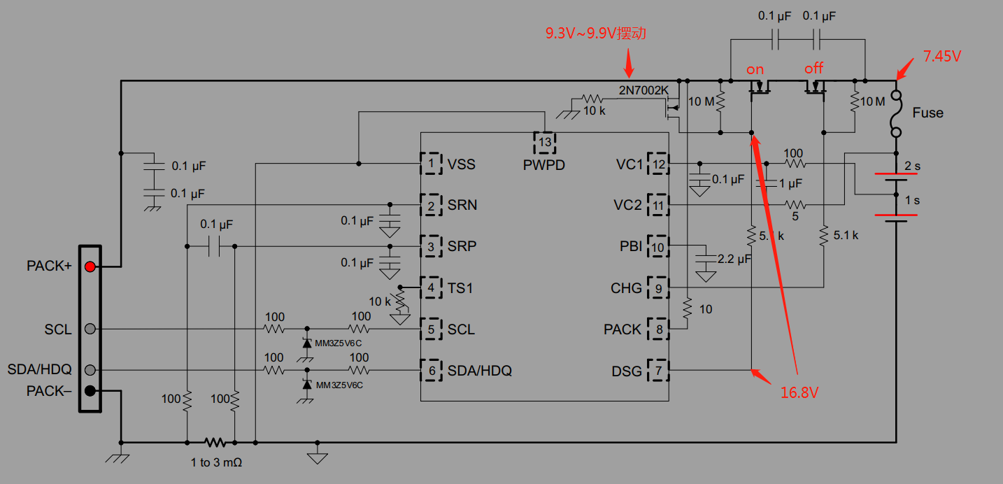
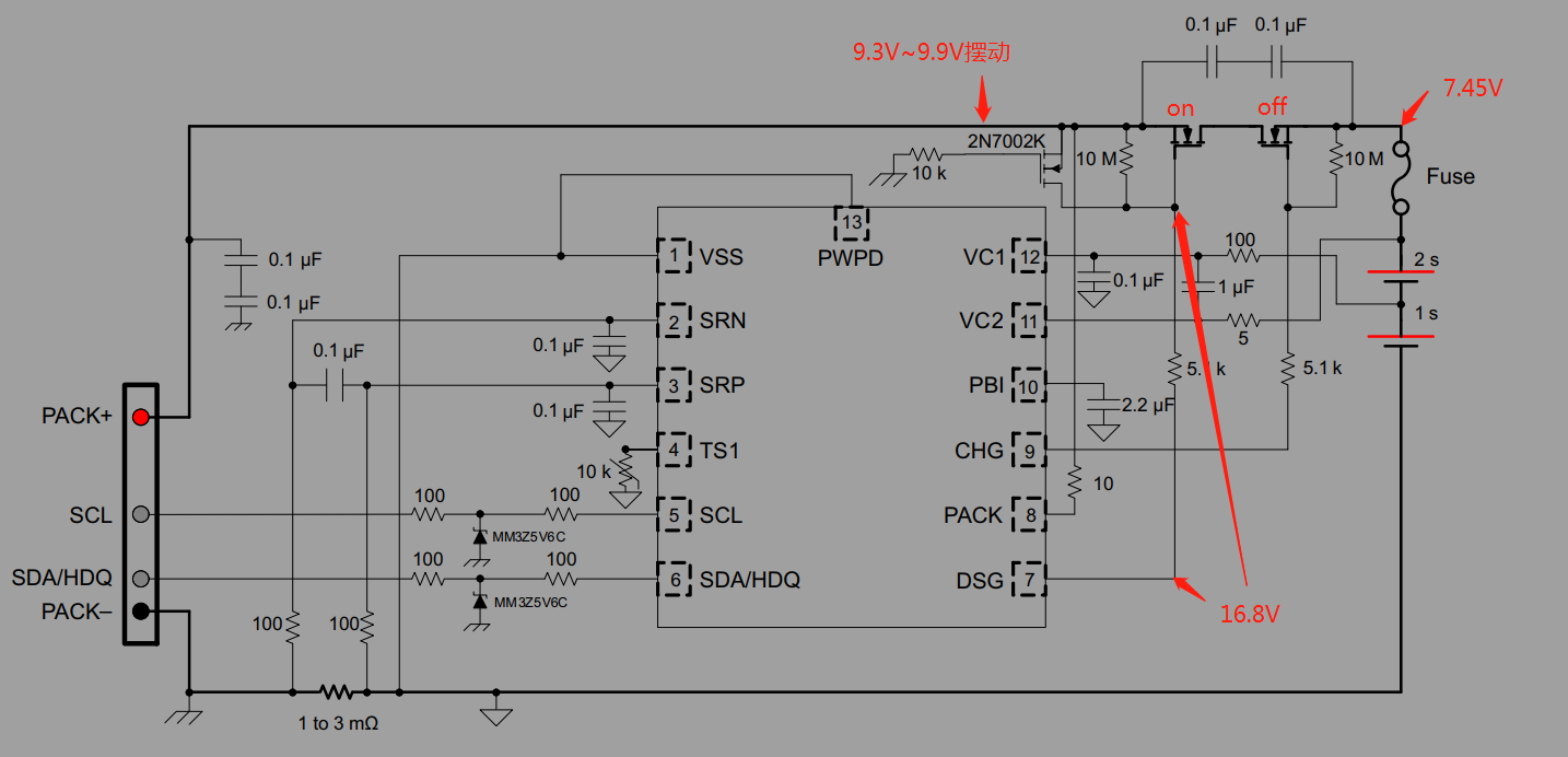
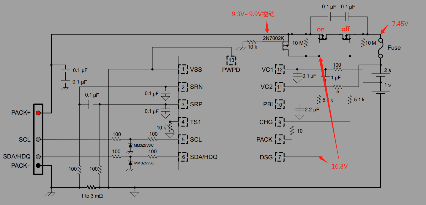
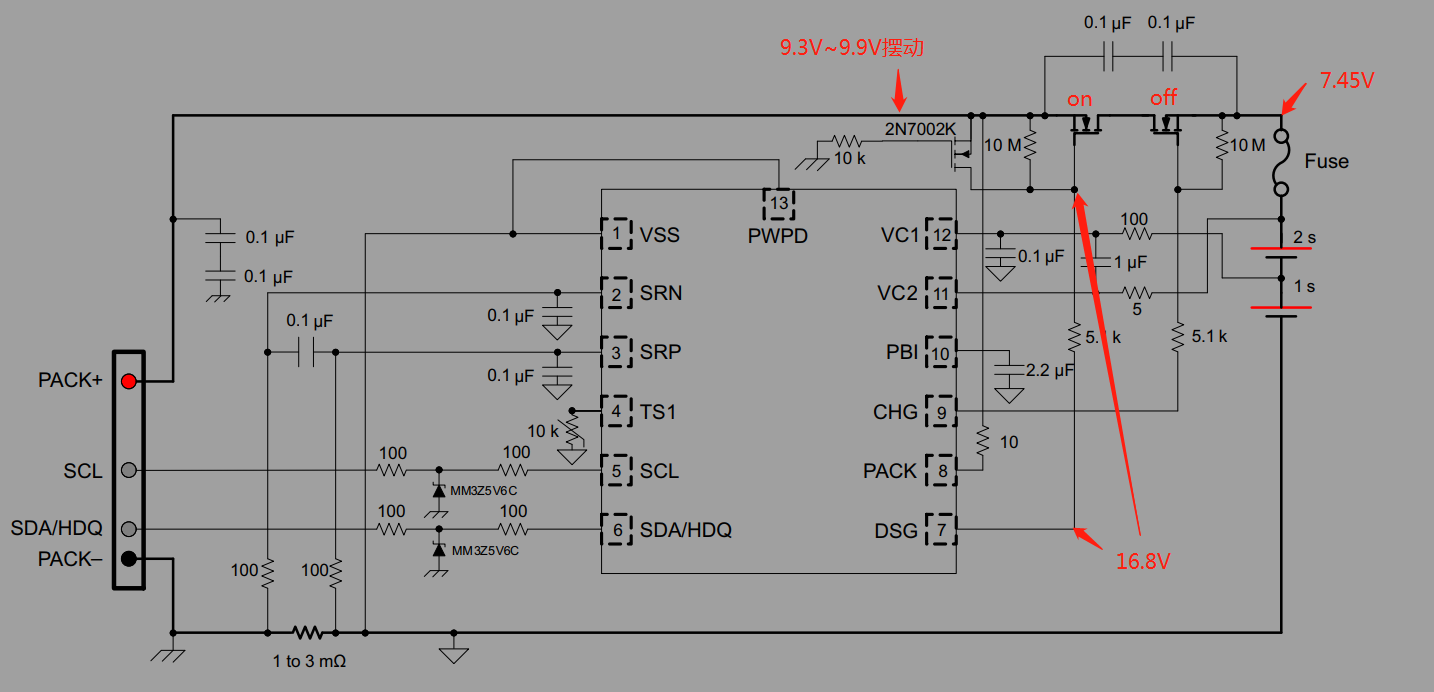
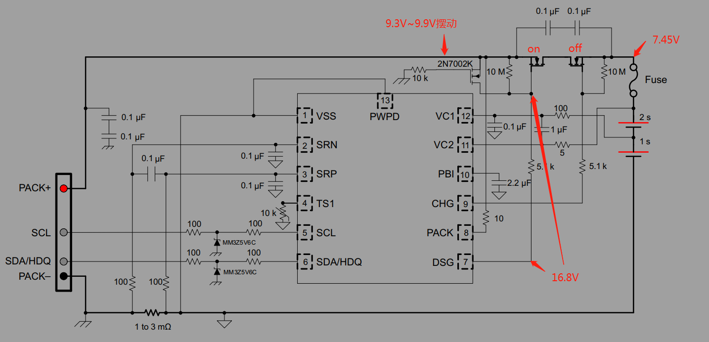
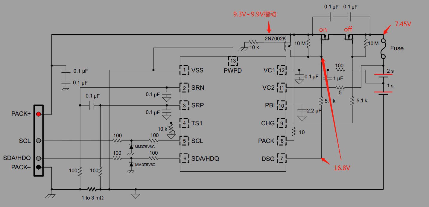
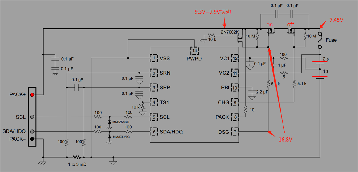
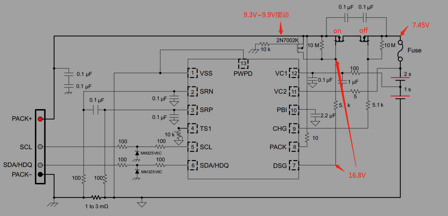
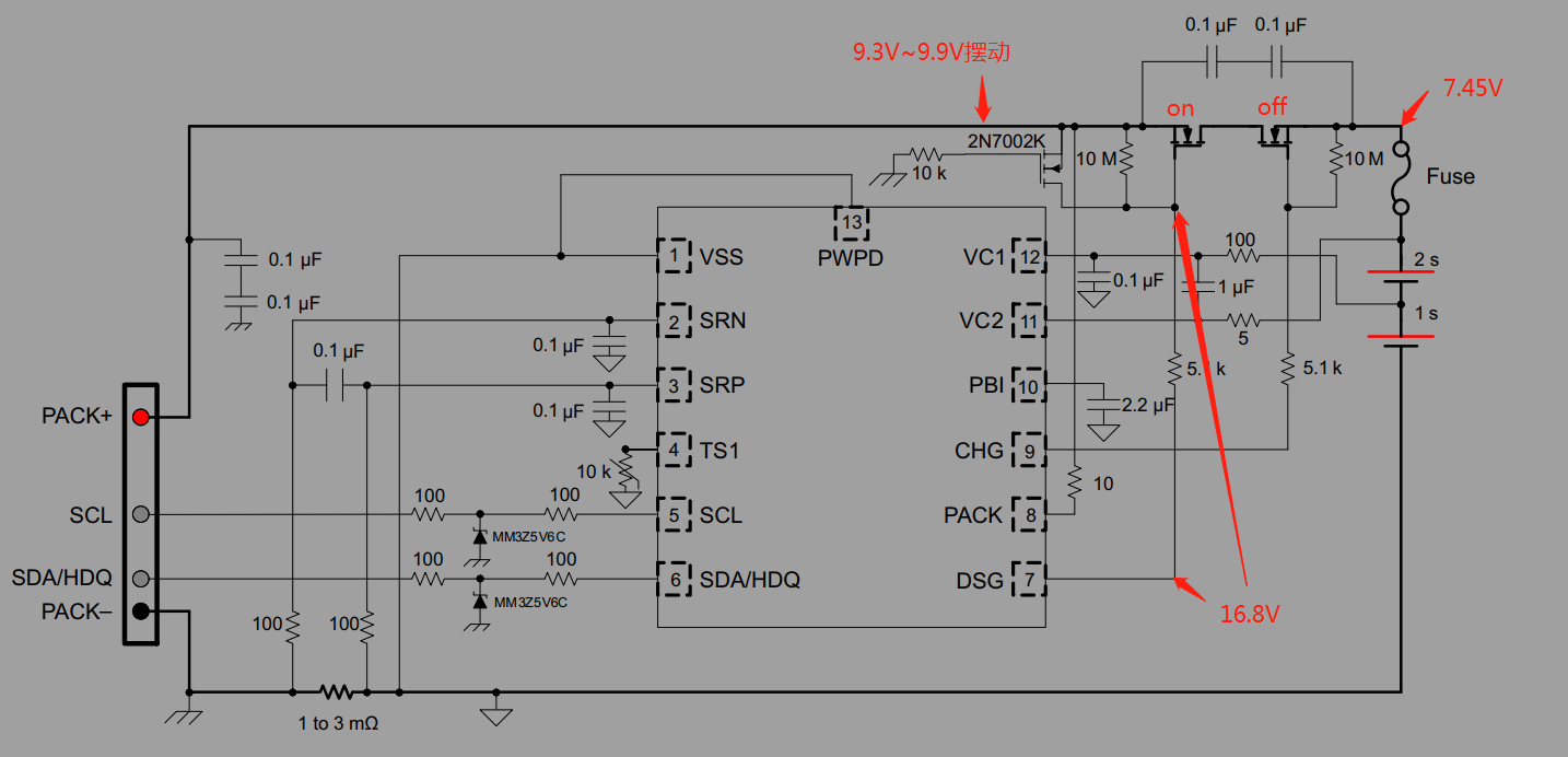
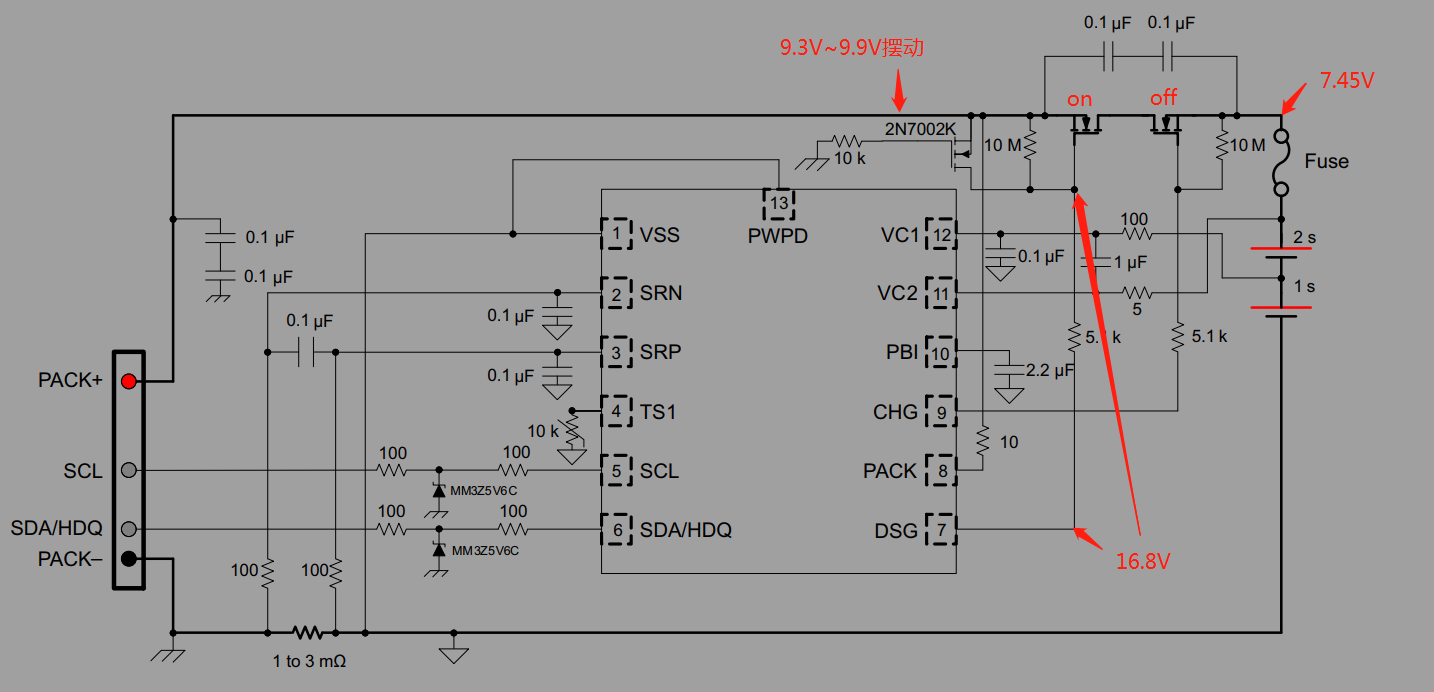
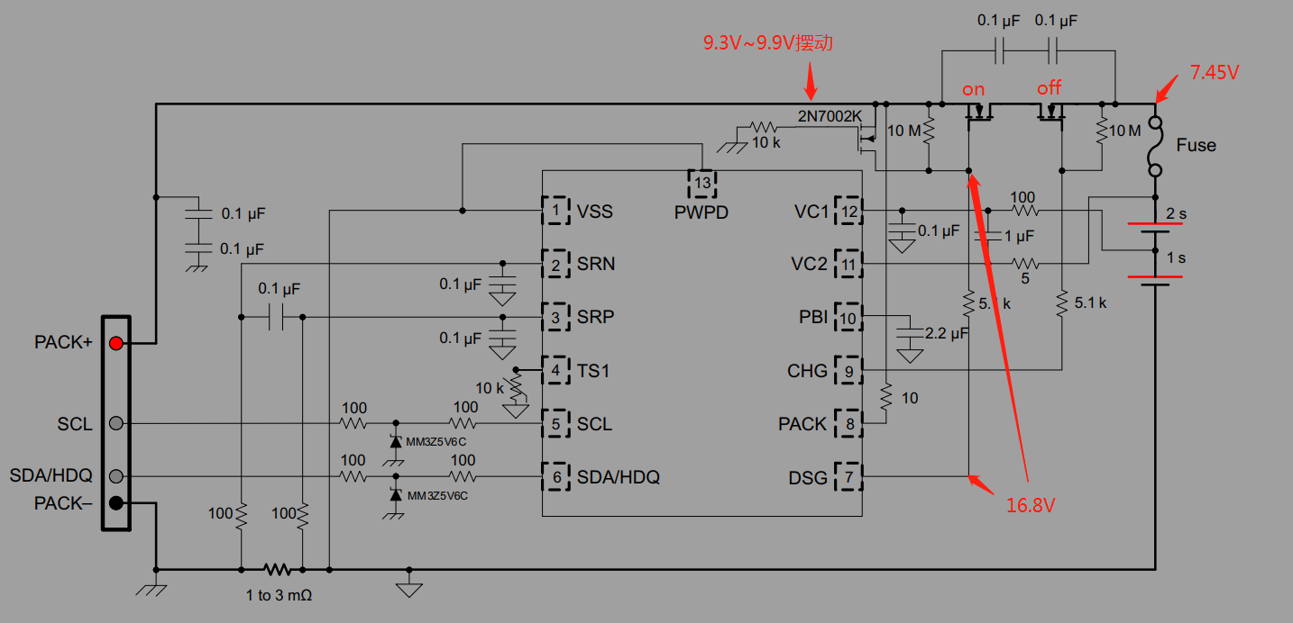
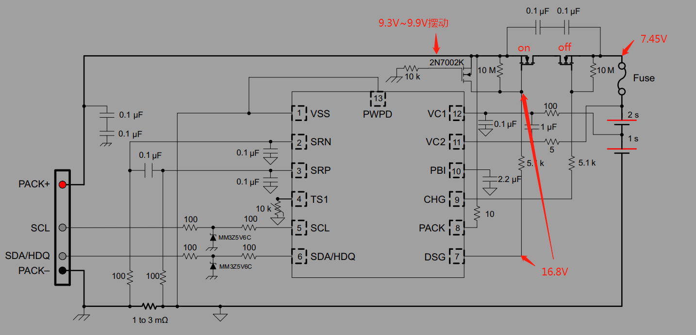
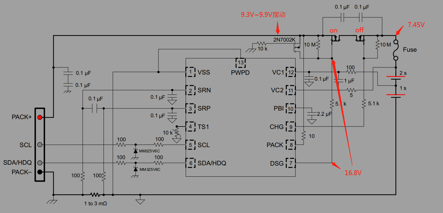
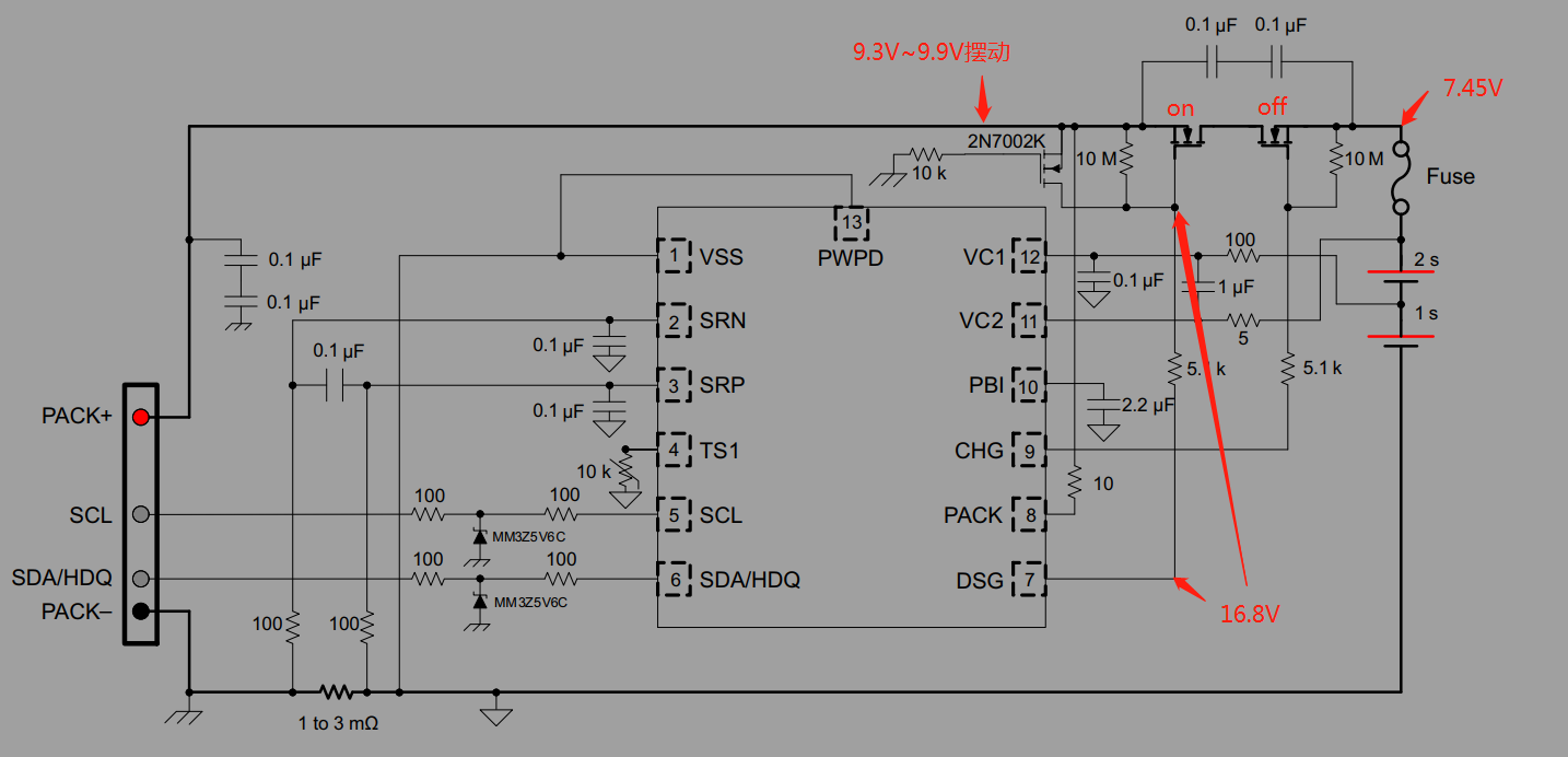
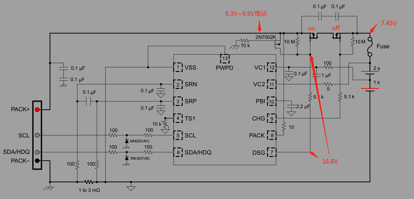
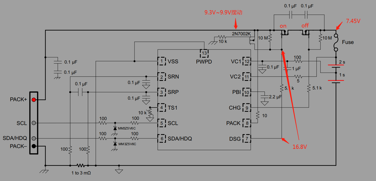
BQ78Z100,当充电MOS关闭,放电MOS打开时,P+电压为什么会高于电芯电压?



如图,两串电芯组电压为7.45V,充电MOSFET关闭,放电MOSFET导通。P+输出端为9.3~9.9摆动,放电MOSFET的驱动脚为16.8V。

若充电MOSFET导通,则P+的输出会和电芯组相同,为7.45V。

P+端的9.3~9.9V的电压没有驱动能力,连接负载就会往下掉。

这个电压是怎么产生的呢?有没有方法消除?