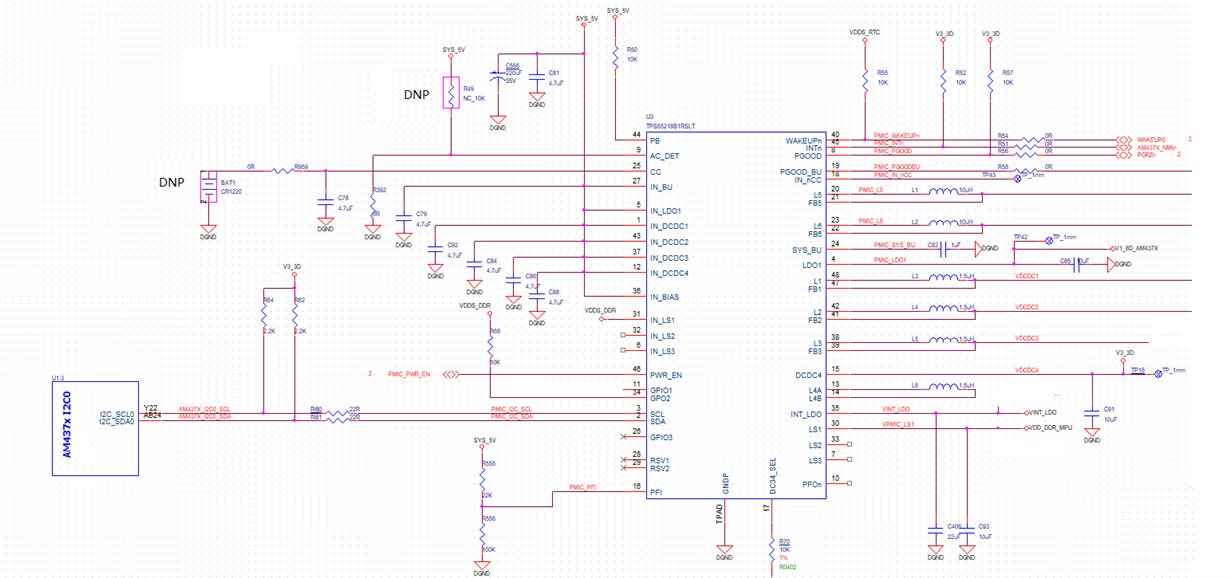
【应用场景】TPS65218给单板上TI的AM437X处理器提供各路电源,系统5V输入,单板上电自启动,不涉及开关启动或者按键(Push button)控制启动
【问题现象】
现象1:常温下单板启动正常,TPS65218输出的各路电压正常。
现象2:在温箱内,常温下(25℃)启动,然后把温箱温度调整低温至 -40℃,单板可以正常工作,连续测试12小时无异常。
现象3:低温存储测试,单板先断电,在温箱低温 -20℃或-40℃,保持1小时,然后单板上电, 启动异常,测试了TPS65218其中一路DCDC4(3.3V),输出为0。
问题必现,看TPS65218的手册,是可以支持到-40℃的,何故-20℃存储后,上电会有问题,求定位思路,谢谢!
附:部分相关原理图


