各位TI的工程师好!
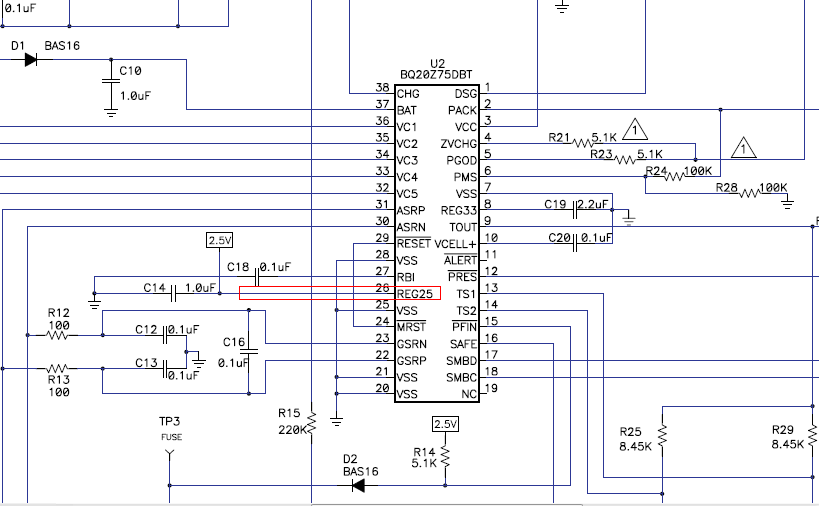
我用BQ20z75 v180做了一个3串的电池项目,板子提前测试好后,装上电芯发现有一定比例无法通讯,分析出来的不良为IC 26脚没有2.5V电压,打到电阻档测试发现26脚到地只有几欧姆,电容是好的,IC 8脚有3.3V电压,更换个IC就可以了。。
想咨询下什么情况下会造成这种不良。。。。。。
This thread has been locked.
If you have a related question, please click the "Ask a related question" button in the top right corner. The newly created question will be automatically linked to this question.
各位TI的工程师好!
我用BQ20z75 v180做了一个3串的电池项目,板子提前测试好后,装上电芯发现有一定比例无法通讯,分析出来的不良为IC 26脚没有2.5V电压,打到电阻档测试发现26脚到地只有几欧姆,电容是好的,IC 8脚有3.3V电压,更换个IC就可以了。。
想咨询下什么情况下会造成这种不良。。。。。。
取下ic来测试为25脚与26脚短路,ic有用2次保护,这个会使得2.5v过载吗?
您好,请问下碰到了哪里可能会出现这现象。。板子是从低到高上电的。。。
您好,REG25是LDO输出2.5V,大电压大电流应该都能造成LDO损坏。