This thread has been locked.

If you have a related question, please click the "Ask a related question" button in the top right corner. The newly created question will be automatically linked to this question.

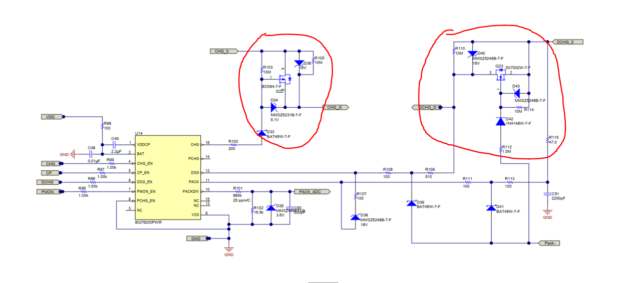
bq76200 Demo电路的疑问?



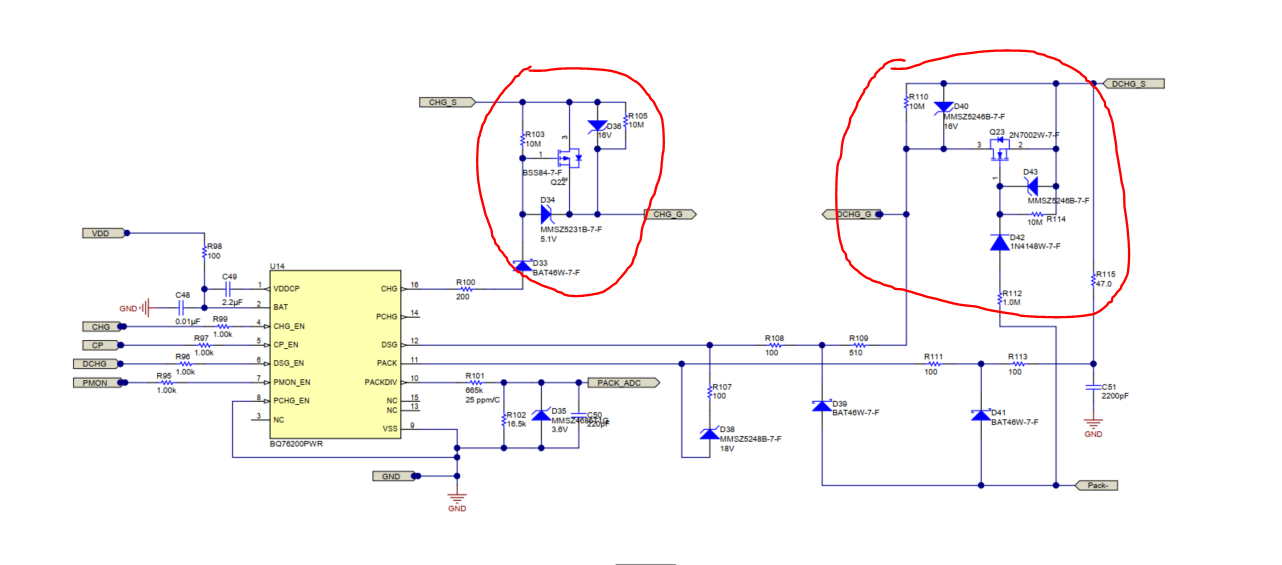
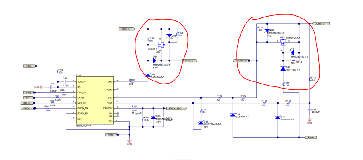
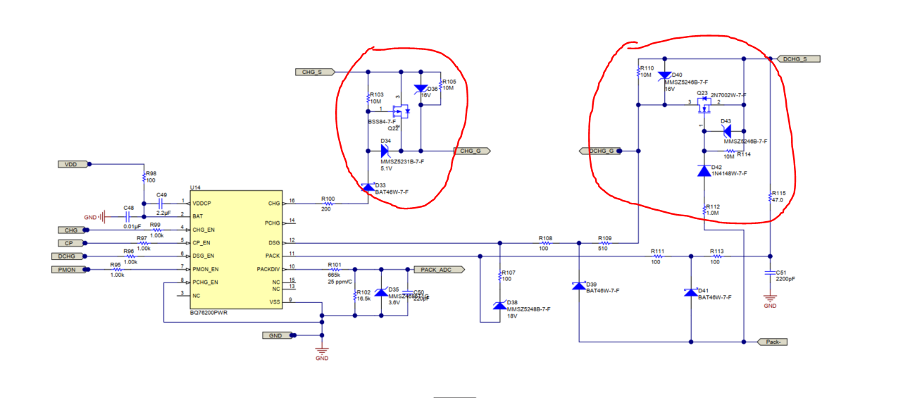
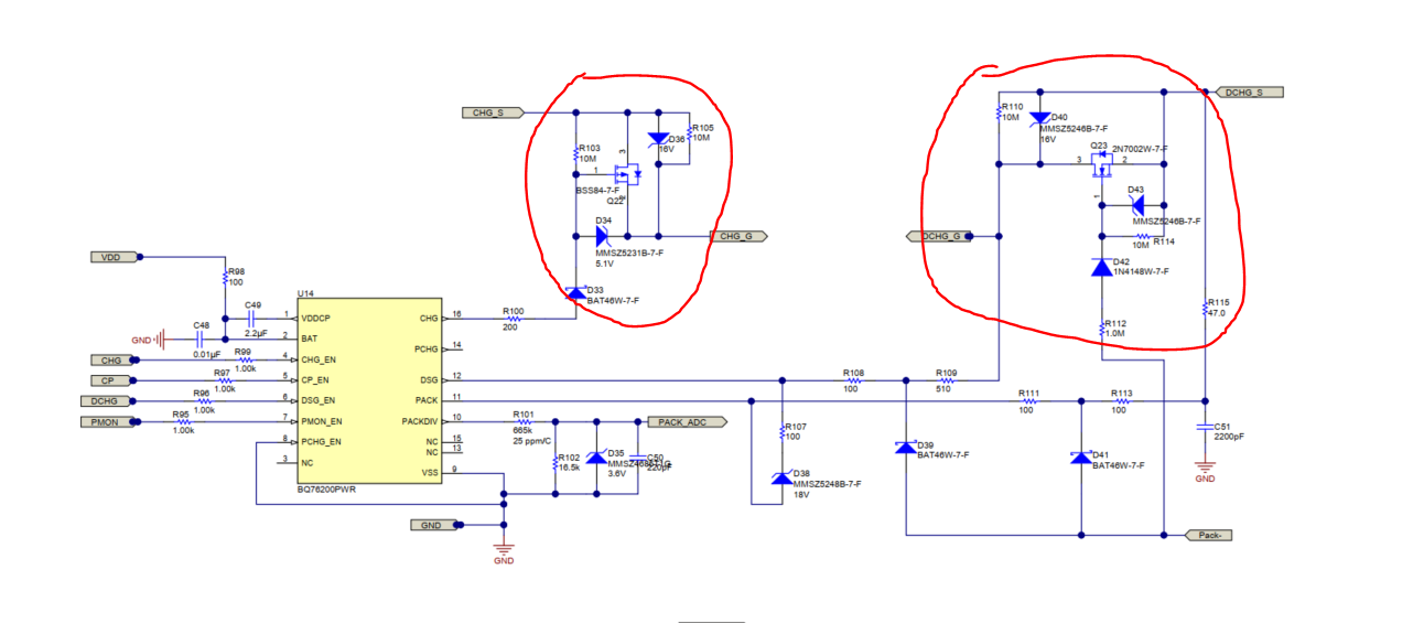
如下图所示:

两个画圈的部分分别是CHG & DCHG MOSFET驱动的G ,S部分电路,这些器件是为了提高MOSFET关断速度吗?还是别的?

如果不加这些器件会不会有什么影响?