This thread has been locked.

If you have a related question, please click the "Ask a related question" button in the top right corner. The newly created question will be automatically linked to this question.

关于UCC28950

Other Parts Discussed in Thread: UCC28950

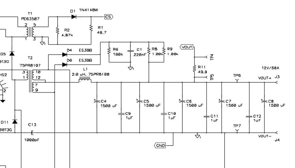
今天看了TI的600W例子,不知道电路图中的D4,D6,R6,C1,R8,R9在电路图中不知道起什么作用,在这里请教TI的各位老师。

  • 感谢Johnsin Tao老师的回复。但是还是有点小疑问,请老师解答
    1.缓冲回路应该是RCD吧,就是图中D4,D6,R6,C1吧,不知R8和R9有什么作用
  • Hi
    我觉得都是,只不过一般是对GND释放,一般是对输出电压而已。
  • 谢谢Johnsin Tao老师的回复。
    像这种RCD中的R用来释放C中的能量,所以R的温度一般都会很高,例如R8,R9,不知道老师有没有什么方法能够解决呢?
  • Hi

        这种释放电流应该是非常小的,除非本身的noise非常大。其次就是选择电阻封装不要太小。

  • 好的,谢谢Johnsin Tao老师的回复。
    还有个小问题就是我按照UCC28950的600W例子画了一个48V输出,60A的板子,变压器匝数比是5,初级10匝,次级两个绕组都是2匝,绕制方式是原-副-副,原边电感量500uH,漏感15uH,R8,R9是10K,其他和600W的例子都一样(还需要看什么参数吗)发现R8和R9之间的电压是随着输出负载的变化而变化的,空载的时候是2V左右,4A的时候是125V,10A的时候是150V(R8,R9温度上升很快),我想问下为什么R8和R9之间的电压会随着输出负载变化。
  • HI
    将变压器输出端(D4/D6前)的波形传上来看一下? 小负载和大负载时都要。
  • Johnsin Tao 说:
    HI
    将变压器输出端(D4/D6前)的波形传上来看一下? 小负载和大负载时都要。

    下面的图是用差分探头测的

    图1   带载4A,黄色是D4绕组的波形,蓝色是D6绕组的波形

    图2   带载10A,黄色是D4绕组的波形,蓝色是D6绕组的波形

  • Hi
    输出的凸波太高了,你测试一下输入的,估计也很高,可以对比一下评估版中的波形。
    太大的凸波可能导致snubber电路电阻发热是可能的,要尽量消除,建议你确认下变压器测试。同时看一下驱动信号有没有什么异常?
  • Johnsin Tao 说:
    Hi
    输出的凸波太高了,你测试一下输入的,估计也很高,可以对比一下评估版中的波形。
    太大的凸波可能导致snubber电路电阻发热是可能的,要尽量消除,建议你确认下变压器测试。同时看一下驱动信号有没有什么异常?

    谢谢Johnsin Tao老师的回复。

    请问老师,变压器输出的凸波不知如何消除?是采用更好的绕线方式吗?比如使用三明治的绕法 (原-副-原) 吗?

    请问老师变压器测试指的是?

    下面是差分探头所测变压器原副边波形、驱动波形

    图1   4A原副边波形,蓝色原边,黄色D4副边

    图2   10A原副边波形,蓝色原边,黄色D4副边

    图3   4A上管Vgs,黄色超前,蓝色滞后

    图4   10A上管Vgs,黄色超前,蓝色滞后

    图5   4A下管Vgs,黄色超前,蓝色滞后

    图6   10A下管Vgs,黄色超前,蓝色滞后

    图7   4A滞后臂下管Vgs(黄色),Vds(蓝色)

    图8   10A滞后臂下管Vgs(黄色),Vds(蓝色)

  • HI
    感觉驱动noise很大,建议注意一下GND layout.
    差分探棒测试初级变压器,这里震荡就很严重。
    变压器绕法建议咨询一下变压器厂商(你们如果要量产,应该会有变压器厂商的,他们应该会协助)
  • 谢谢Johnsin Tao老师的回复。
    不知道注意GND layout指的是UCC28950的GND吗
    还是功率电路的GND
  • Hi
    功率GND,以及功率回路。
  • 感谢Johnsin Tao老师的回复。

    现在带载10A的时候有个问题,想跟老师请教一下。

    MOSFET使用的是IPW60R099P7,Rds(on)=99mΩ,驱动的电压给到了18V,驱动电阻1.5Ω,驱动电阻反并加速关断二极管1N4148,带载10A后,发现滞后臂的上管温度在1分钟后达到80+℃

    下面是滞后臂的上管的Vds和Vgs。

    问:1.不知道是驱动能力不足导致的MOS管工作在线性区,导致的发热严重

    2.如果不是不知是什么原因,请老师分析一下