This thread has been locked.

If you have a related question, please click the "Ask a related question" button in the top right corner. The newly created question will be automatically linked to this question.

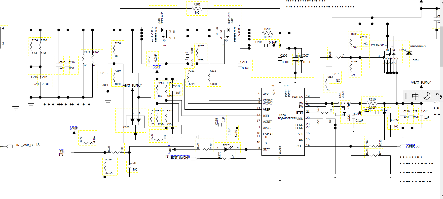
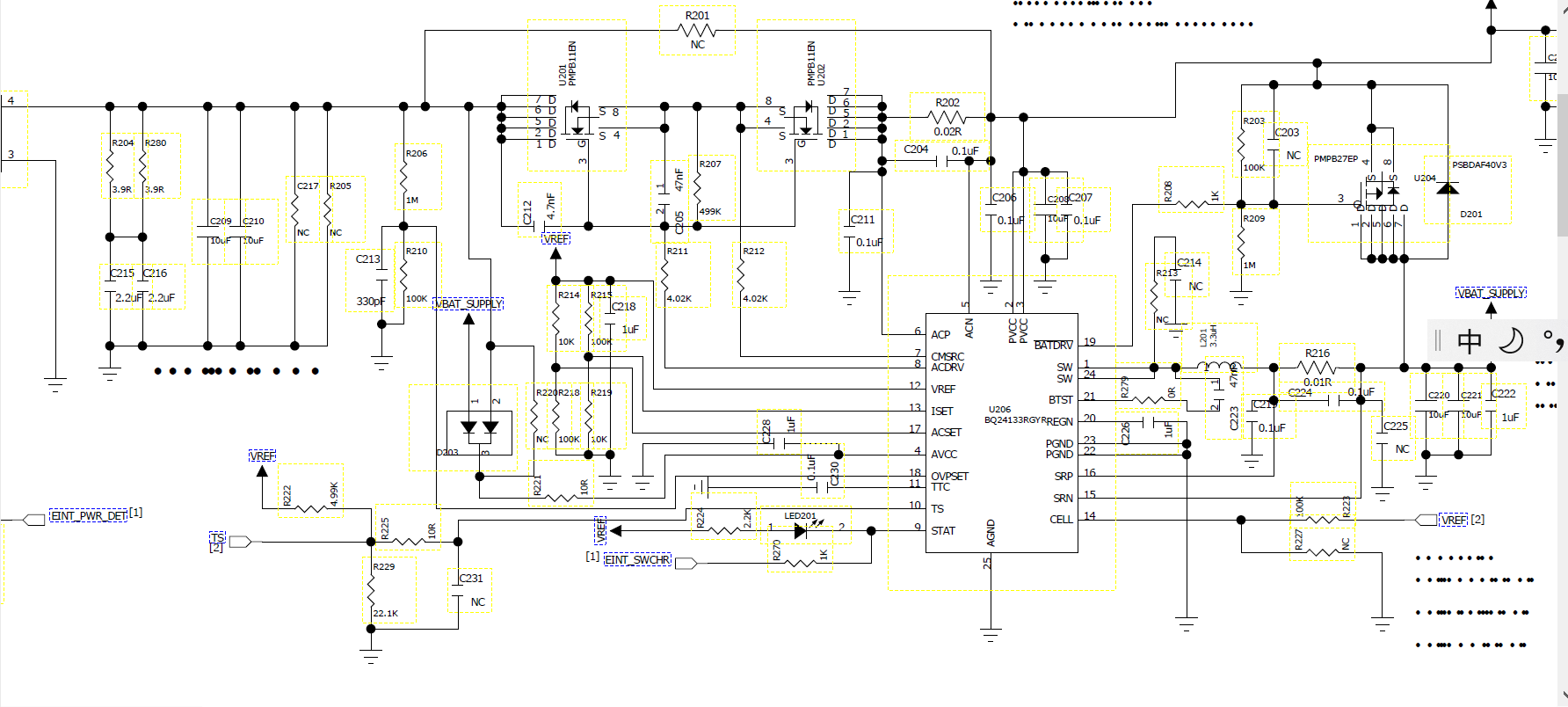
BQ24133 相关问题

Other Parts Discussed in Thread: BQ24133

我们使用BQ24133这颗芯片发现一个现象,当电池电压(11.8V)接近电源输入电压时(12V),开锁时候(18W的瞬时功率)外挂负载LED灯条会闪烁,去掉电池,完全用电源输入时灯条不会闪烁。当电池电压较低的时候(11.3V)同样也不会导致灯条闪烁的情况。想请教一下此种现象的原因和是否有解决方案,谢谢。