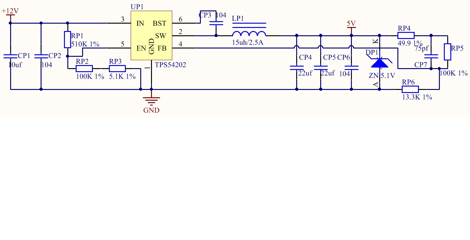
产品正常工作状态下稳压器输出电流小于400mA,极限消耗为1A左右.
1.以下电路图应用客户将RP4断开后,稳压器出现打嗝现象,一段时间后DP1损坏
2.客户将DP1更换,RP4接回去后产品恢复正常.
3.是否有方法可以避免RP4断开后产品硬件不损坏?
This thread has been locked.
If you have a related question, please click the "Ask a related question" button in the top right corner. The newly created question will be automatically linked to this question.
产品正常工作状态下稳压器输出电流小于400mA,极限消耗为1A左右.
1.以下电路图应用客户将RP4断开后,稳压器出现打嗝现象,一段时间后DP1损坏
2.客户将DP1更换,RP4接回去后产品恢复正常.
3.是否有方法可以避免RP4断开后产品硬件不损坏?