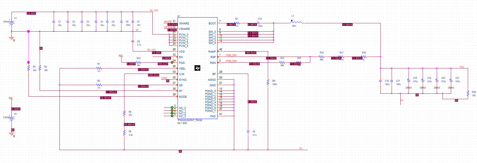
使用Pspice中的TPS543C20ARVF搭建外围电路没有输出,输入12V,输出0.9V,Vin和EN都设置的电压?请问为什么无法正常工作呢?
This thread has been locked.
If you have a related question, please click the "Ask a related question" button in the top right corner. The newly created question will be automatically linked to this question.
您好,原理图里我的VDD引脚连接到了Vin 12V,是有输入的呀。可以帮忙看看原理图是哪里有问题么?或者是对于这类芯片仿真,配置上需要注意些什么?