现象 使用STM32F104RE 做master tlv320aic3104 做slave ,参照datasheet配置完成后,再没有输入接入或者输入接地的情况下,I2S DOUT上有大量数据产生,正常输入波形信号也不能改变
问题1:
Master与slaver的 I2S 硬件直连,未加电容电阻,是否会有影响
问题2:
出现这种问题的可能原因,是否ADC或者I2S配置有问题?
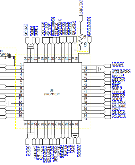
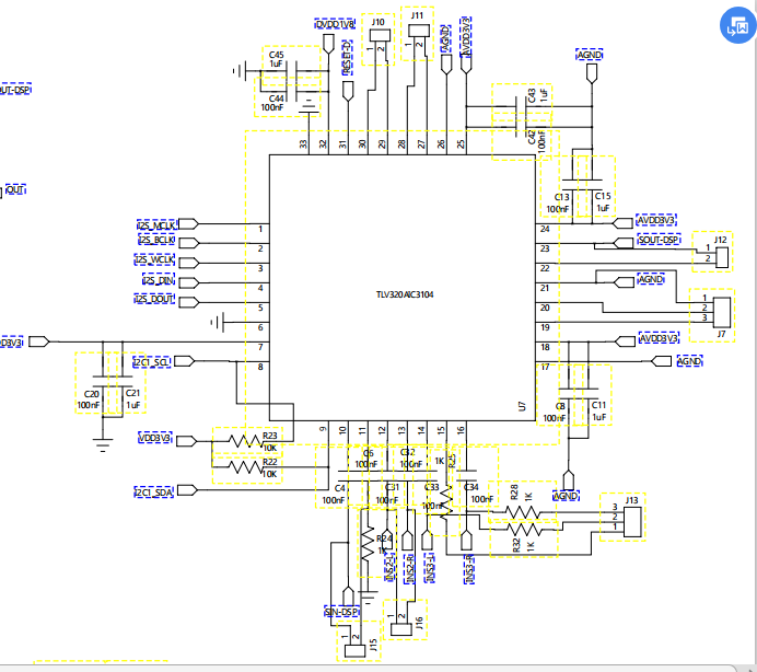
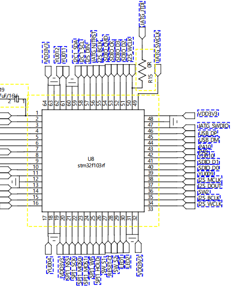
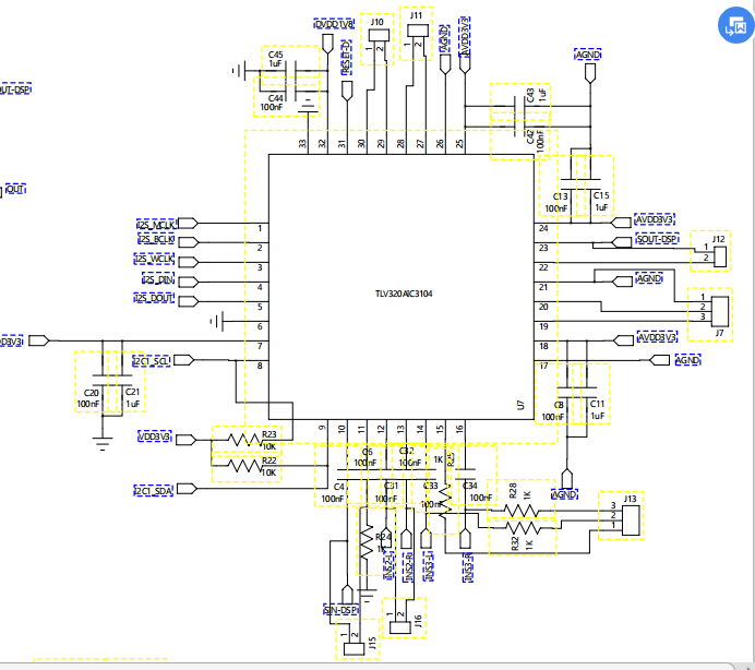
电路图如下:
Master:
Slaver:
软件配置如下:
//CLOCK
{0, 0x00},
{1, 0x80},
{102, 0x02},
{101, 0x00}, //PLLDIV OUT
{7, 0x0A},
{2, 0x00}, //NEED CHECK
{3, 0x81}, //P = 1, R = 1, K = 8.192, which results in J = 8, D = 1920
{8, 0x20}, //BCLK/WCLK is input
{4, 0x20},
{5, 0x1E},
{6, 0x00},
//I2S
{8, 0x20}, //BCLK/WCLK is input
{9, 0x07}, //I2S mode, 16bit //Check if re-sync need.
{10, 0x00},//OFFSET = 0
//output
{14, 0x00},// 鐢靛杈撳嚭
{40, 0xB0}, //1.8V
{42, 0x8E}, // 杈撳嚭绾т笂鍗囧欢鏃?400ms锛屼俊鍙蜂笂鍗囨椂闂?4ms}
//ADC
{19, 0x04}, // MIC1LP CONNECT TO LEFT-ADC, LEFT-ADC is powered up.
{24, 0x00}, // MIC1LP CONNECT TO RIGHT-ADC471
{22, 0x7C}, // RIGHT-ADC power up
{25, 0x40}, // MICBIAS power down //need check
{15, 0x28}, //Unmute Left PGA, set gain to 26 dB
{16, 0xFF}, //Unmute RIGHT PGA, set gain to 26 dB
//DAC
{37, 0xE0}, // Left DAC and RIGHT DAC is powered up. HPLCOM configured as independent single-ended output
{41, 0x01}, //LEFT volume follows RIGHT
{43, 0x09},
{44, 0x09},
{38, 0x10}, // HPRCOM configured as independent single-ended output
{51, 0x89},
{47, 0x89},
{58, 0x00},
{54, 0x80},
{65, 0x89},
{64, 0x80},
{72, 0x00},
{71, 0x80},
{7, 0x0A},
逻辑分析仪截图如下


