Hi Team
Good dya
客户在设计中需要咨询以下信息,麻烦帮忙看下:
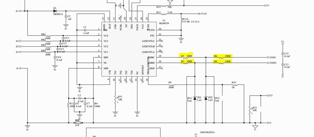
我们在使用BQ4Z50这颗IC与上级电源管理芯片通讯时,发现SMBUS上的低电平一直不能低至0V,保持在0.9V-1.0V;发现在BQ4Z50的参考设计上有串联300R的电阻,将这个电阻改到0R之后,电平正常,因为我们前级上拉为电源管理IC内部的无法改动,请问BQ4Z50这边SMBUS(PIN18/PIN19)串联的电阻300R能否改动,改动的话会有什么风险?
Regards
Aosker
This thread has been locked.
If you have a related question, please click the "Ask a related question" button in the top right corner. The newly created question will be automatically linked to this question.
Hi Team
Good dya
客户在设计中需要咨询以下信息,麻烦帮忙看下:
我们在使用BQ4Z50这颗IC与上级电源管理芯片通讯时,发现SMBUS上的低电平一直不能低至0V,保持在0.9V-1.0V;发现在BQ4Z50的参考设计上有串联300R的电阻,将这个电阻改到0R之后,电平正常,因为我们前级上拉为电源管理IC内部的无法改动,请问BQ4Z50这边SMBUS(PIN18/PIN19)串联的电阻300R能否改动,改动的话会有什么风险?
Regards
Aosker