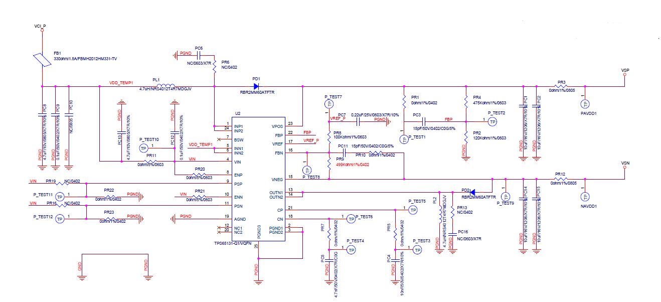
关于tps65131,原理图与测试波形如下,有测量power input (VCI_P,VCC)的inrush电流,由于ENN与ENP为0Ω电阻相连,使VPOS与VNEG同时生成,有如下几个问题确认:
1、输入电压VCC的inrush持续时间最长多少?从波形上来看约0.95ms
2、inrush的时间长短取决于VPOS与VNEG的建立过程所需要的时间吗?注:从波形上看是成立的
3、若上一条确认成立,那么VPOS与VNEG的从开始建立到建立完成,需要多少时间?
4、在ENP与ENN接一起的条件下,在VCC输入端增加什么样的电路可以降低inrush大小?
