大家好
我仿照LM5035开发板做了一个5V输出的开关电源,
发现带载启动时,输出电压有个小尖峰,如图所示
如上图所示,输出电压有个0.6V的尖峰,然后才能正常启动
空载启动时,输出电压有个平台,如图所示,
LM5035发出一簇PWM后停止一段时间才正常发波
不知道是什么原因,导致启动时出现这个现象?又该如何消除这个尖峰呢?
This thread has been locked.
If you have a related question, please click the "Ask a related question" button in the top right corner. The newly created question will be automatically linked to this question.
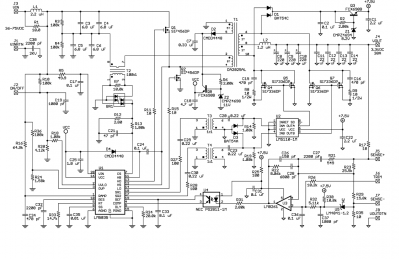
大家好
我仿照LM5035开发板做了一个5V输出的开关电源,
发现带载启动时,输出电压有个小尖峰,如图所示
如上图所示,输出电压有个0.6V的尖峰,然后才能正常启动
空载启动时,输出电压有个平台,如图所示,
LM5035发出一簇PWM后停止一段时间才正常发波
不知道是什么原因,导致启动时出现这个现象?又该如何消除这个尖峰呢?
HI
除了看到启动瞬间的noise尖峰,测试一下启动瞬间的SS, 以及各个保护脚电压看看是否有尖峰出现?