1.当只接入适配器(DC 19V6A)时,ACDET量测为2.8V,满足2.4V-3.15之间的要求,主板可以通电。当接上锂电池(3节串联锂电池)时,设置充电电压13V,充电电流3A,ACDET的电压会跳动,跳到2.4V以下,导致适配器一会连接一会断开。下图时示波器量测ACDET的波形。

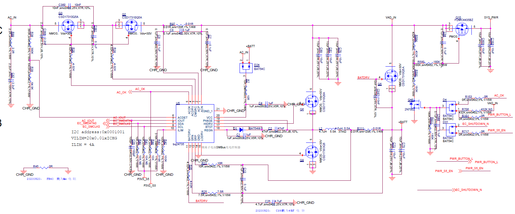
2.下面是充电电路的原理图

This thread has been locked.
If you have a related question, please click the "Ask a related question" button in the top right corner. The newly created question will be automatically linked to this question.
1.当只接入适配器(DC 19V6A)时,ACDET量测为2.8V,满足2.4V-3.15之间的要求,主板可以通电。当接上锂电池(3节串联锂电池)时,设置充电电压13V,充电电流3A,ACDET的电压会跳动,跳到2.4V以下,导致适配器一会连接一会断开。下图时示波器量测ACDET的波形。

2.下面是充电电路的原理图

在我不接锂电池的情况下,电路情况是正常的。当接上锂电池后,最开始的6s是设置的预充电,充电电流设置的是256mA,这个时候充电电路也正常,当进入正常充电,充电电流有3A时,这是适配器就会出现一会连接一会断开的情况,ACFET和RBFET会一开一关。