This thread has been locked.

If you have a related question, please click the "Ask a related question" button in the top right corner. The newly created question will be automatically linked to this question.

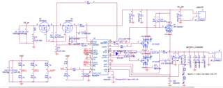
BQ24616: BQ24616供电问题

Part Number: BQ24616


使用BQ24616对整机供电及对电池充电,输入电压28V,充电电池6S1P(25.2V),在不接电池的情况下,如果输出端负载瞬时电流超过4.8A,Q3管S端电压基本正常,在27.8V左右,而D端电压只有22V不到,感觉Q3管没有工作在开关状态,而是工作在线性区,是否电路上设计有问题?