This thread has been locked.
If you have a related question, please click the "Ask a related question" button in the top right corner. The newly created question will be automatically linked to this question.
各位专家:
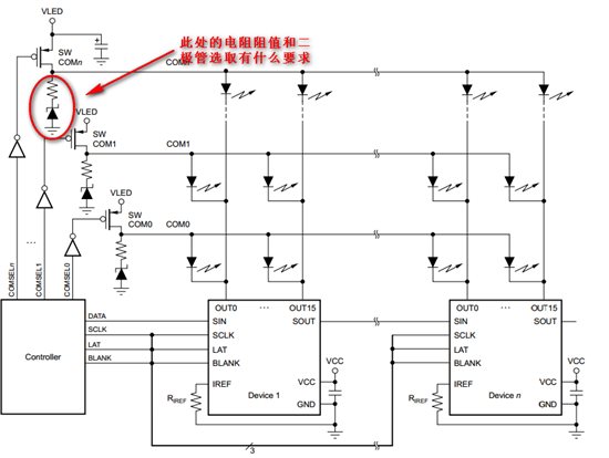
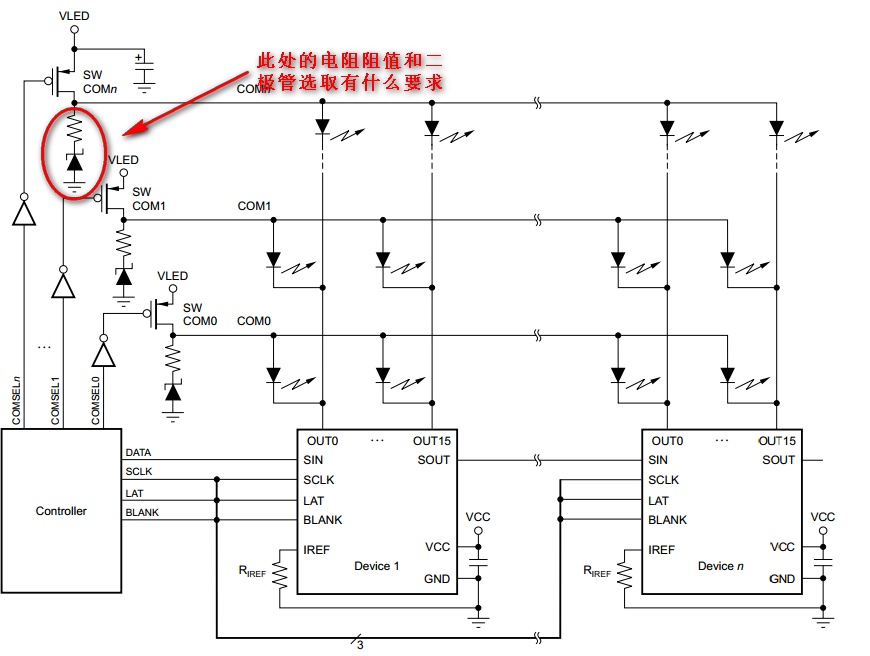
TLC59283:外围MOSFET的稳压二极管和电阻如何选择?请参看下图:谢谢!
根据Vled确定其Vz,Vz≈Vled,另外电阻是起限流作用,流过稳压管的电流小于其Izmax即可,防止稳压管失效。
谢谢Kevin!
我还有一个疑问:
您说的Vled是LED灯管的正向管压降?还是给LED供电的电源?谢谢!
供电电源
hi,大家好,我想咨询下,这款IC接LED的时候,IC的D0--D15 是不是只可以接LED的阴极,不能接LED的阳极么