Part Number: BQ76930
测试中,发现TS2的探头,会干扰到BQ内部的寄存器数据,主要是05寄存器被清零概率最大,温度的数据寄存器被清零,还有00寄存器的故障位也有一定概率被置位。我们测试发现,不固定盖子摸电池盖子时候会触发,盖子是金属的。拔掉温度探头内部探头接口处焊接10K电阻,被干扰的概率会减小。封闭电池盖子,内部接温度探头测试,出现概率很小;封闭电池盖子,内部温度探头接口处焊接10K电阻,不接探头时测试没有出现。请帮忙分析一下,谢谢了。
This thread has been locked.
If you have a related question, please click the "Ask a related question" button in the top right corner. The newly created question will be automatically linked to this question.
Part Number: BQ76930
测试中,发现TS2的探头,会干扰到BQ内部的寄存器数据,主要是05寄存器被清零概率最大,温度的数据寄存器被清零,还有00寄存器的故障位也有一定概率被置位。我们测试发现,不固定盖子摸电池盖子时候会触发,盖子是金属的。拔掉温度探头内部探头接口处焊接10K电阻,被干扰的概率会减小。封闭电池盖子,内部接温度探头测试,出现概率很小;封闭电池盖子,内部温度探头接口处焊接10K电阻,不接探头时测试没有出现。请帮忙分析一下,谢谢了。
您好,TS2 引脚必须在其规定的电压范围内工作,这样才能保证它正常运行。 TS2 和其基准必须热连接到所需的监控点,请您一定要注意:一定要和监控点还有任何可能的干扰点进行电气绝缘。
如果通过连接到金属盖,而且向下拉至电池,导致TS2被拉低到基准以下,那这种情况会改变CAP2 电压,然后电压测量就有可能会出错,还有可能会设置状态寄存器 0x00 中的 OV 、 UV 或 XREADY 位。
如果通过电阻连接将热敏电阻 VC5X 的基准下拉,部件的工作电压会被改变,cell 5 电压可能是第一次改变,但其他电池也可能会受到影响。 状态寄存器 0x00 中可能还会报告电压故障或 XREADY。
希望以上回答对您有所帮助,如有其他问题请随时联系我们。
热敏电阻并没有连接金属盖,是在电池箱内部空间中放置,测试过程中用手摸金属盖子会出现干扰。电阻连接将热敏电阻VC5X的基准下拉是什么意思,我这边是在TS2和VC5X之间外接的热敏电阻放置在电池箱内部容易受干扰,然后把这个热敏电阻换为10K电阻测试的,应该不存在VC5X的基准下拉问题。
如果热敏电阻接触到导电的外壳或遮蔽物,而且未绝缘,会改变电路,从而进一步导致电流从 TS2 引脚/VC5X 网络/或者这两者流向 VSS。而这有可能会改变寄存器读数或者导致故障,还有可能耗尽部分或全部电池。热敏电阻要在高于 VSS 的偏置电压下运行。一般因为低电压,触摸网络的时候不会有什么感觉,但触摸到接地可能会在 CF 电容器放电时有火花。

关于您的问题,如果没有连接电池负极/VSS,连接可能有噪声,或者是允许 ESD 进入电路,从而导致中断。
不接温度探头,焊接10K电阻被干扰的概率减小,可能是什么原因,BQ的VSS接了电池的负极
按照您目前所提供的信息,我们给出以下答复供您参考:
如果温度探头 (热敏电阻) 没有连接到电路上,那电压可能会在电容器上出不去,而且可能无法正确启动部件。 如果已经运行,那温度应指示为cold (电压更高)。
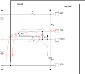
如果温度探头连接到了电路,但没有连接到外壳或者遮蔽物,我们希望看到的是它正常运行,那我们就不建议连接 VSS 来获得上图所示的leakage currents。 TS2 上的电容器通常会滤除在 TS2 导线上拾取的任何干扰。 如果 TS2 被 IC 内的任何二极管结构整流并停留在电容器上,那大的场强可能会对其施加电压。
如果温度探头连接到了外壳或者遮蔽物但是没有连接到 VSS,那housingshield可能会起到天线的作用,从而增加施加到 TS2 的干扰。
因为是电池组中最负的基准,IC 的 VSS 是连接到电池组的负极端子。 BQ76930 监护仪的电压较为positive,但充电期间 SRN 的电压因充电电流而可能略低于 VSS。TS2 的工作原理是参考 BQ76930 的 VC5X 端子,该端子以电池为基准,因此它与电池有电压偏移。
如果以上回复无法解释您目前的问题,请您再详细附上您具体的连接以及测试观察到的结果。