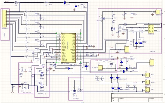
经过阅读BQ77910开发资料跟BQ77910开发板资料,根本自己的需要设计一个10电池的电路,在MOS放电中选择使用二个MOS,请帮忙看一下这电路的完整性.谢谢,看不清可发邮件到
14616203@163.com联系,谢谢
This thread has been locked.
If you have a related question, please click the "Ask a related question" button in the top right corner. The newly created question will be automatically linked to this question.
经过阅读BQ77910开发资料跟BQ77910开发板资料,根本自己的需要设计一个10电池的电路,在MOS放电中选择使用二个MOS,请帮忙看一下这电路的完整性.谢谢,看不清可发邮件到
14616203@163.com联系,谢谢