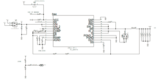
输入48V,输出22V,正常使能,SD引脚低电平0V时,输出端有1.2V电压,电感前端也没有开关波形,也是1.2V。

This thread has been locked.
If you have a related question, please click the "Ask a related question" button in the top right corner. The newly created question will be automatically linked to this question.
HI
你需要确认这个电压是否来自负载? (你可以将电感之类电路拆掉,在同样条件下看是否依旧有电压?)
如果不是来自负载很可能就是芯片已经损坏。
Hi
不太确认你的意思,不带载有1.2V, 是断开负载,芯片输出仍然有电压,还是这个时候负载供电端依旧有电压1.2V?