Hi,
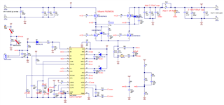
使用LM5176方案,输入9-36VDC,输出12V6A,原理图如下

现在9V输入,12V输出空载,测得的SW1和SW2波形如下

9V输入应该工作在boost模式,SW1应该是恒定的,但是在红色的圈圈里明显看到SW1有一小段时间异常,请问这是什么原因造成的?有什么改善的建议。
This thread has been locked.
If you have a related question, please click the "Ask a related question" button in the top right corner. The newly created question will be automatically linked to this question.
Hi,
使用LM5176方案,输入9-36VDC,输出12V6A,原理图如下

现在9V输入,12V输出空载,测得的SW1和SW2波形如下

9V输入应该工作在boost模式,SW1应该是恒定的,但是在红色的圈圈里明显看到SW1有一小段时间异常,请问这是什么原因造成的?有什么改善的建议。
HI
应该是noise导致的模式混乱,建议按照datasheet layout要求确认一下你的layout。(确认一下输入输出是否有较大noise?)