你好,冒昧打扰
我用LM7365芯片制作了一个BUCK电路,输入7-15V输出5V,设计电路是按照TI的设计器推荐来的
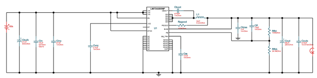
下图是推荐的设计图纸,

下面是我自己设计的图纸

其中,控制芯片73605的外围电路电阻电容,都是按照设计推荐的,但是SYNC引脚,我是利用了分压电阻,分压到3V,
并且,电感推荐的是4uH。我用的是10uH,输出电容推荐的是68UF,我用的是40uF,
上电后,带2欧姆负载,电感电流波形如下

请问一下这是什么原因吗?
是否一定要按照推荐的参数进行调试呢?
This thread has been locked.
If you have a related question, please click the "Ask a related question" button in the top right corner. The newly created question will be automatically linked to this question.
你好,冒昧打扰
我用LM7365芯片制作了一个BUCK电路,输入7-15V输出5V,设计电路是按照TI的设计器推荐来的
下图是推荐的设计图纸,

下面是我自己设计的图纸

其中,控制芯片73605的外围电路电阻电容,都是按照设计推荐的,但是SYNC引脚,我是利用了分压电阻,分压到3V,
并且,电感推荐的是4uH。我用的是10uH,输出电容推荐的是68UF,我用的是40uF,
上电后,带2欧姆负载,电感电流波形如下

请问一下这是什么原因吗?
是否一定要按照推荐的参数进行调试呢?
HI
用电子负载测试来看一下, 电阻负载寄生参数比较大,可能有影响。其次并不需要R134,要测电流,需要电流勾表。电路尽量参照webench。
电感电流波形其实并不是特别重要,建议直接确认输出纹波,按照datasheet 20mV以内。