This thread has been locked.

If you have a related question, please click the "Ask a related question" button in the top right corner. The newly created question will be automatically linked to this question.

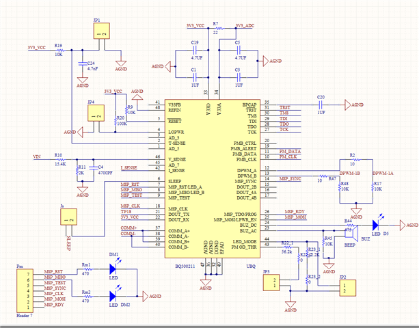
BQ500211A: 芯片的DOUT_RX接3.3v会不会影响正常工作

Part Number: BQ500211A


这是我的电路图/