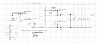
As shown in the figure above, a high-Voltage open-loop BUCK structure is constructed using UCC27211A。
The test conditions: VBUS=50V, VDD=8V,HI,LI fsw=100Khz,D=50%,HI,LI Deadtime=100ns,no Load。
The test wave:
CH1:HS , CH2:HO, CH3:Inductance current waveform, CH4:LO
Question:Why does HO fall down in the middle, HS=HO, and the upper tube of the drive is not open???
Please help answer ,thank you very much!