Other Parts Discussed in Thread: CSD18532Q5B
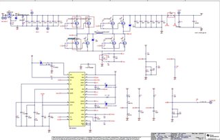
LM5176電路板損毀無法動作,(參考圖片)初步看左上方三個紅框處的MOSFET_CSD18532Q5B損毀,協請分析損毀原因。
現知道兩顆損毀(短路), 一顆未損毀,但因兩顆是並聯的, 因此只要一顆損毀也是等同兩顆損毀。

This thread has been locked.
If you have a related question, please click the "Ask a related question" button in the top right corner. The newly created question will be automatically linked to this question.
LM5176電路板損毀無法動作,(參考圖片)初步看左上方三個紅框處的MOSFET_CSD18532Q5B損毀,協請分析損毀原因。
現知道兩顆損毀(短路), 一顆未損毀,但因兩顆是並聯的, 因此只要一顆損毀也是等同兩顆損毀。

電壓: 12V鉛酸電池(車用)
生產數目: 1K
不良率: 約1%
HI
用良品板子测试一下各种情况:
是否有电池插入的情况,有的话,测试插入瞬间,输入Vin的波形,以及此时驱动波形? 前者看是否有电压严重上冲,后者看是否有同臂膀导通的情
况。 然后再测试正常工作情况下,输入以及驱动的波形。
如果是电池插入后电压才到芯片Vin,同样按照上面的测试看看。
按照1%这么高的不良率,应该很容易测试到异常,尽管不会烧板子,但是应该有异常的波形出来。
HI
负载为超级电容,应该选择恒流设计,建议用一些专门的充电芯片BQ系列。
HI
将正常产品的驱动波形,以及VDS波形传给我看一下。
Hi
看起来有同臂导通的情况,建议你在确认一下(示波器上确认同臂导通时的电压,是否超过MOS Vth
感謝您的回覆
CSD18532Q5B規格書表明Vth標準為1.8V

重新將數據繪圖並增加Vth線段繪圖如下, 看起來並無同時導通的問題

另外, 損毀樣品LM5176的VCC電壓已無7V, 有可能是VCC損毀造成驅動電壓不足讓MOSFET無法進入飽和區造成RdsOn過大造成MOSFET損毀? 如是VCC損毀, 那是甚麼原因會造成此VCC損毀?
我們此電路不論是線路圖, Layout, BOM基本上都是仿照TI EVM製作, 不應該發生這種問題才對?
HI
从波形上看,同臂导通的可能性非常高,因为你测试的是没有烧掉的板子。MOS烧掉后,电压从驱动反向冲击,烧掉VCC是可能的。
选择Qg尽量小的MOS看看,同时验证驱动能力。
TI官方當初設計此EVM時就有這個問題了嗎?
總而言之, 謝謝您的指導, 會再往同臂導通的方向研究並改善