Other Parts Discussed in Thread: BQ76930
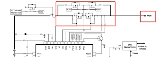
BQ76952推荐电路中放电回路开关MOS在PACK+,目前想采用BQ76952替代BQ76930,BQ76930的放电回路开关MOS在PACK-,请问BQ76952放电回路开关MOS能否放在PACK-?

This thread has been locked.
If you have a related question, please click the "Ask a related question" button in the top right corner. The newly created question will be automatically linked to this question.
您好,可以放在P-,请参考应用手册Using Low-Side FETs with the BQ769x2 Battery Monitor Family