Part Number: TPS650864
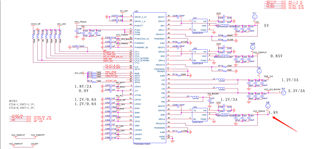
设计采用的是TPS6508641RSKR,回板调试发现,LDO5/LDO3P3、BUCK1、BUCK2、BUCK5目前输出电压正常,但到BUCK6,这,输出电压是7V,检查了几轮,没找到问题。

This thread has been locked.
If you have a related question, please click the "Ask a related question" button in the top right corner. The newly created question will be automatically linked to this question.
Part Number: TPS650864
设计采用的是TPS6508641RSKR,回板调试发现,LDO5/LDO3P3、BUCK1、BUCK2、BUCK5目前输出电压正常,但到BUCK6,这,输出电压是7V,检查了几轮,没找到问题。
