This thread has been locked.

If you have a related question, please click the "Ask a related question" button in the top right corner. The newly created question will be automatically linked to this question.

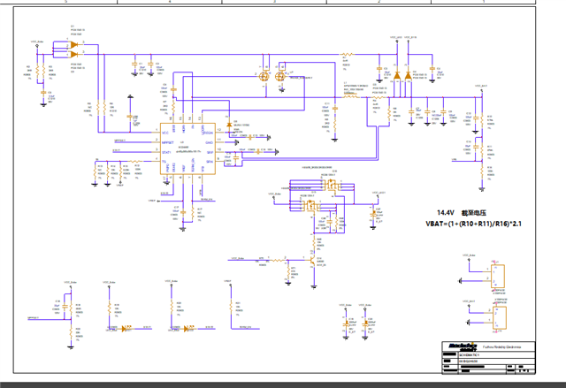
BQ24650: 使用BQ24650充电时 MOS发烫严重 , MPPT在16V.10A。 按照参考设计搭出来的原理图如图

Part Number: BQ24650


  

如题,在使用BQ24650给电池充电,插电MOS就发烫,使用的参考设计的SI7288.  麻烦帮忙看看上图是原理图。