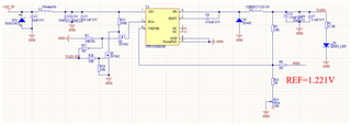
用TPS5450设计了一个电源,输入24V,输出电位器可调节,有如下问题
1,发现空载条件下,波纹有点大,如图,输出8.8V,示波器500mv/div,10us。
2,发现PH脚的波形不是方波,如图,这是啥波形有什么影响?



This thread has been locked.
If you have a related question, please click the "Ask a related question" button in the top right corner. The newly created question will be automatically linked to this question.
用TPS5450设计了一个电源,输入24V,输出电位器可调节,有如下问题
1,发现空载条件下,波纹有点大,如图,输出8.8V,示波器500mv/div,10us。
2,发现PH脚的波形不是方波,如图,这是啥波形有什么影响?



HI
满载下纹波多大? 正常纹波30mV以内。
建议你确认一下满载下PH是否方波?如果是就没有问题,空载以及轻载下出现上面波形并无问题,尽管这个芯片datasheet上没有,但是很多芯片都这样。
建议你确认一下输出电容的选择,因为你用的是芯片内部补偿,需要对输出电容大小,以及ESR有对应要求,你需要按照datasheet计算方式确认一下。
你好,非常感谢你的回复。
带载的话PH是方波。但是输出纹波的问题还是一样,输出10V/4.5A,纹波也是图片那样。试了几种电流和电容(100uf,220uf,330uf,470uf)带载输出还是一样没有改变,请问实际使用会换负载所以输出是电位器调节的,电压不固定,电容应该怎么计算?电感是15uh,5.65A,20.3mΩ
Hi
用webench在线仿真确认一下电路,可以参照输出电容大小,以及ESR.
抱歉!最近在忙其它的一个项目,需要把这个项目做完了,才有时间验证