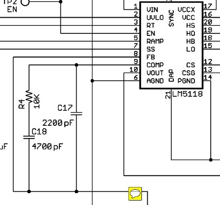
评估板中补偿网络,电容分别为4700pF、2200pF
按照计算器中的方法,却截然不同,为0.07nF、104nF
This thread has been locked.
If you have a related question, please click the "Ask a related question" button in the top right corner. The newly created question will be automatically linked to this question.
你好,
两个补偿网络都能使电源稳定工作。环路带宽越宽,响应越快,但是相位裕量越小。我们的评估板并没用计算器来设计,是为了在环路稳定的情况下,尽量得到最宽的带宽,达到最好的效果。计算器的环路设计准则是带宽和稳定性的折衷考虑,保证稳定,但环路响应不是最快的。
根据你的输入输出电压和功率情况,建议按照评估板来设计。因为评估板是经过TI工程师优化后已量产的项目,有实物。它的环路响应速度比用计算器设计出来的要好。
这样的话,岂不是我只需修改分压电阻,稍微增大电感,就能实现我想要的功能?
非常感谢Jerry Chen的帮助!
你好,
对不起, 刚才看见你的设计是24V输出,而我们的评估板是12V输出。建议你按计算工具来设计,能够帮你确定电感和补偿参数。这个工具设计出来的参数能够保证环路稳定,环路速度能满足大部分的应用。如果你对环路速度有很高的要求,逐渐增大Rcomp阻值来增大带宽。
如果是12V输出可直接参考评估板的设计。