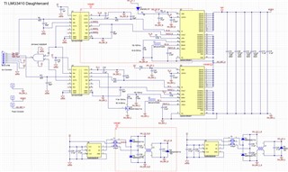
从原理图上可以看到,上管的故障信号通过数字隔离器输出。一路接到与门,另外一路接到下管的数字隔离器。输出到FET的栅极控制下管RDRV引脚的外接电阻器大小来控制下管的压摆率。
问题1:为什么只有下管的压摆率是通过上管故障信号控制,上管为什么没有通过下管故障信号控制压摆率的设计?
问题2:当GaN出现故障信号时,改变另外一个GaN压摆率的目的是什么?
感谢您的回答

This thread has been locked.
If you have a related question, please click the "Ask a related question" button in the top right corner. The newly created question will be automatically linked to this question.
从原理图上可以看到,上管的故障信号通过数字隔离器输出。一路接到与门,另外一路接到下管的数字隔离器。输出到FET的栅极控制下管RDRV引脚的外接电阻器大小来控制下管的压摆率。
问题1:为什么只有下管的压摆率是通过上管故障信号控制,上管为什么没有通过下管故障信号控制压摆率的设计?
问题2:当GaN出现故障信号时,改变另外一个GaN压摆率的目的是什么?
感谢您的回答
